Премахване

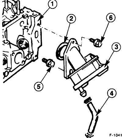
Откачете маркуча за връщане на маслото "4" и вакуумния маркуч, който отива към усилвателя на спирачката от вакуумната помпа, първо трябва да разхлабите закрепващите скоби и да ги преместите от тръбите.
Първо развийте горния болт "6", след това долния болт "7", отстранете вакуумната помпа.
Монтаж
Поставете уплътнение "2". Първо го проверете за дефекти и сменете, ако е необходимо.
Завийте долния болт само с няколко резби, монтирайте вакуумната помпа, завийте горния болт.

Внимание! С помощта на горния болт на вакуумната помпа "5" освен това се закрепва скобата "4" за проводниците на подгревните свещи.
Затегнете двата болта равномерно.
Свържете маркуча за връщане на маслото и вакуумния маркуч.
Коментари на посетители