Система газораспределения двигателя CVH 1,8 литра (Сиерра)

            0

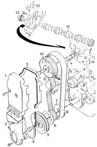
Система газораспределения двигателя CVH



1 – верхний кожух привода системы газораспределения, 2 – нижний кожух привода системы…

1 – верхний кожух привода системы газораспределения, 2 – нижний кожух привода системы газораспределения, 3, 4 – прокладки, 5 – клиновой шкив коленчатого вала, 6 – зубчатый шкив коленчатого вала, 7 – направляющий диск зубчатого ремня, 8 – зубчатый ремень, 9 – натяжное устройство зубчатого ремня, 10 – шкив распредвала, 11 – шкив насоса охлаждающей жидкости, 12 – уплотнительное кольцо распредвала, 13 – установочная пластина, 14 – распредвал


Установка газораспределения двигателя CVH



1 – установочные знаки распредвала,

1 – установочные знаки распредвала,
2 – установочные знаки коленчатого вала


Головка блока цилиндров двигателя CVH



1 – крышка головки блока цилиндров, 2 – головка блока цилиндров, 3 – рычаг клапана, 4 –…

1 – крышка головки блока цилиндров, 2 – головка блока цилиндров, 3 – рычаг клапана, 4 – гидравлический толкатель, 5 – пружина клапана, 6 – прокладка головки блока цилиндров, 7, 8 – направляющие клапанов, 9, 10 – седла клапанов, 11 – датчик температуры охлаждающей жидкости, 12, 13 – клапана




Блок цилиндров двигателя CVH



1 – блок цилиндров, 2 – сливная пробка охлаждающей жидкости, 3 – заглушки масляных каналов, 4 –…

1 – блок цилиндров, 2 – сливная пробка охлаждающей жидкости, 3 – заглушки масляных каналов, 4 – прокладка, 5 – задняя крышка блока цилиндров, 6 – сепаратор масла в системе вентиляции картерных газов


Снятие зубчатого ремня



1. Отсоединить от аккумулятора провод массы.

2. Снять клиновой ремень привода генератора.

3. Отсоединить жгут электрических проводов системы зажигания, снять распределитель высокого напряжения, ротор распределителя и держатель распределителя зажигания (см. рис. Система газораспределения двигателя CVH).

4. Снять кожух привода системы газораспределения.

5. Проворачивать коленчатый вал до установки знака на шкиве распредвала напротив знака на головке блока цилиндров (1) (см. рис. Установка газораспределения двигателя CVH).

6. Ослабить болт блокировки натяжного устройства зубчатого ремня. Переместить ролик влево и затянуть блокирующий болт.

7. Снять зубчатый ремень.

Регулировка газораспределения и установка зубчатого ремня



1. Установить знак на шкиве распредвала напротив знака на головке блока цилиндров (1) (см. рис. Установка газораспределения двигателя CVH).



2. Повернуть коленчатый вал до установки знака шкива коленчатого вала (2) напротив знака на картере масляного насоса.

3. Вставить пружину натяжного устройства, натяжное устройство и заблокировать его в положении до упора влево.

Внимание! Эта пружина не устанавливается на заводе, зубчатый ремень натягивается при помощи специального приспособления. После ослабления крепления натяжного устройства необходимо обязательно устанавливать пружину для обеспечения правильного натяжения зубчатого ремня.


4. Надеть зубчатый ремень, начиная от шкива коленчатого вала, в направлении против часовой стрелки.

5. Разблокировать натяжное устройство таким образом, чтобы его ролик натянул зубчатый ремень.

6. Выполнить два полных оборота коленчатого вала в направлении по часовой стрелке и установить знак на шкиве распредвала напротив знака на головке блока цилиндров.

7. Зафиксировать коленчатый вал (включив передачу и затянув рычаг ручного тормоза) и вращать распредвал в направлении против часовой стрелки при помощи динамометрического ключа с головкой 41 мм (через редукционный элемент 1/2"–3/4").

Внимание! Головка 41 мм необходима, так как нельзя вращать распредвал за болт крепления его шкива.


8. Придержать распредвал моментом 23–30 Нм и затянуть натяжное устройство зубчатого ремня моментом 23–30 Нм (сначала болт с правой стороны).

9. Проверить, не подверглись ли изменению установочные знаки.

10. Выключить передачу и ручной тормоз.

11. Повернуть на два оборота коленчатый вал по направлению его рабочего вращения, после чего повторно проверить положение установочных знаков.



12. Установить кожух привода системы газораспределения.

13. Установить распределитель зажигания и провода высокого напряжения.

14. Надеть и натянуть клиновый ремень привода генератора.

15. Подключить аккумулятор.






Ссылка на эту страницу в разных форматах


Комментарии посетителей

Еще нет комментариев



Фьюжн 
Скорпио 1 
Скорпио 2 
Сиерра 

Анекдот про автомобили
покажите следующий
Мы применяем куки, чтобы сайт работал стабильно, запоминал настройки и был удобен для вас 🍪