Оглавление: Разборка ↳ Проверка направляющих втулок клапанов ↳ Притирка ↳ Сборка ↳
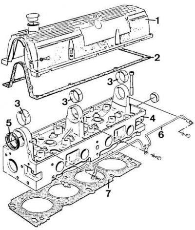
Узел головки блока цилиндров
1 – крышка головки блока цилиндров, 2 – прокладка крышки, 3 – втулки подшипников распредвала, 4 – головка блока цилиндров, 5 – уплотнительное кольцо распредвала, 6 – трубопровод подачи масла к подшипникам распредвала, 7 – прокладка головки блока цилиндров
Продольная фиксация распредвала
1 – установочная пластина, 2 – распредвал
Разборка
1. Расположить головку блока цилиндров в передней и задней частях на двух деревянных брусках.
2. Снять впускной коллектор вместе с карбюратором и трубкой отвода охлаждающей жидкости.
3. Отвинтить термический кожух, а затем выпускной коллектор.
4. Отвинтить шпильки крепления обоих коллекторов.
5. Отвинтить датчик температуры охлаждающей жидкости.
6. Снять трубки подачи масла к подшипникам распредвала.

7. Снять (приспособление 21.005 А) по порядку пружины рычага клапанов, а также рычаги клапанов.
8. Сжать по порядку пружины клапанов (приспособление 21.005 А), извлечь клинья сухари крепления верхней упорной тарелки пружины. Снять верхнюю тарелку и пружину клапана, обращая внимание, чтобы не повредить шейки клапана.
9. Снять шкив с распредвала, придерживая распредвал плоским ключом за пазы за шестым кулачком. Снять упорную прокладку шкива распредвала, а также его уплотнительное кольцо.
10. Отвинтить два болта крепления упорного фланца в задней части распредвала и осторожно вытянуть назад распредвал. Отвинтить болты, образующие упор для рычага клапанов, заканчивающиеся шаровыми наконечниками. Если они будут использоваться позже, то следует обозначить их таким образом, чтобы в процессе сборки они были установлены в тех же самых местах и могли взаимодействовать с теми же рычагами клапанов.
11. Отвинтить натяжное устройство зубчатого ремня (приспособление 21.012) и снять дистанционную втулку.
Проверка направляющих втулок клапанов
Изношенные направляющие втулки клапанов не обеспечивают соосной установки клапанов в седлах, что приводит к значительному увеличению расхода топлива и масла.

1. Вставить клапан в направляющую втулку и перемещая клапан в поперечном направлении проверить зазор.
2. Если зазор превышает допустимые нормы необходимо произвести обработку направляющей втулки с помощью соответствующей развертки до ближайшего увеличенного размера. Обработку направляющей втулки необходимо начинать со стороны камеры сгорания.
3. Если направляющие втулки подвергались обработке, необходимо устанавливать клапаны со стержнями увеличенного диаметра.
4. Обработка седел клапанов в головке блока цилиндров.
5. Седла клапанов со следами износа или подгорания необходимо обработать с обязательным сохранением углов и величины фаски. В противном случае необходимо произвести замену головки блока цилиндров.После любой обработки седел клапанов необходимо провести притирку клапанов.
Притирка
1. Притирку клапанов необходимо производить с применением только мелкозернистой полировочной пасты.

2. Поверхность седла клапана смазать небольшим количеством пасты и установить клапан в соответствующее седло. Плотно прижать к тарелке клапана резиновую присоску и вращать клапан в одну или другую сторону.
3. После окончания процесса притирки все детали тщательно очистить от грязи и пасмты и проверить седло и тарелку клапана. Должно быть видно сплошное матовое кольцо на обеих деталях, которое указывает ширину фаски клапана.
Сборка
1. Завинтить шпильки крепления коллекторов, а затем датчик температуры охлаждающей жидкости.
2. Смазать маслом для гипоидных передач класса SAE 80/90 щейки, кулачки и упорные поверхности распредвала, внутренние поверхности подшипниковых колец, шаровые наконечники болтов упора рычага клапанов, а также поверхности рычага клапанов, взаимодействующие с кулачками распредвала.
3. Вставить сзади головки блока цилиндров распредвал до установки его шеек в кольцах подшипников, обращая внимание, чтобы не повредить поверхностей скольжения.
4. Завинтить болты, поддерживающие рычаг клапанов и гайки, предохраняющие их от отвинчивания. Смазать стержни клапанов и направляющие клапанов маслом для гипоидных передач класса SAE 80/90. Вставить клапана и оклеить липкой лентой места установки сухарей.

5. Смазать моторным маслом маслоотражательные колпачки, вставить их (приспособление 21.007) и снять клейкую ленту со стержней клапанов.
6. Вставить по порядку пружины клапанов и верхние тарелки. Сжать пружины и вставить сухари.
7. Установить рычаг клапанов.
8. Смазать маслом и установить новое уплотнительное кольцо переднего подшипника распредвала.
9. Вставить упорную подкладку и шестерню (усиленной стороной наружу) на распредвал.

10. Установить пружины, удерживающие рычаг клапанов и отрегулировать зазор клапанов.
11. Установить дистанционную втулку, кожух зубчатого ремня и натяжное устройство.
12. Привинтить трубопровода подачи масла к подшипникам распредвала, камеру отвода охлаждающей жидкости из головки блока цилиндров, а также термостат (новая прокладка).
13. Уложить на прокладке впускного коллектора уплотнительный шнур 5 мм (А 70 SX 19554-BA), установить новые прокладки выпускного коллектора и привинтить оба коллектора.
14. Привинтить тепловой кожух выпускного коллектора.
Внимание! В случае установки ранее использовавшихся клапанов в новую головку блока цилиндров следует поступать следующим образом:
- притереть клапана и их гнезда;
- тщательно очистить от пасты, оставшейся после притирки, смазать стержни клапанов маслом и затем поступать, как описано выше.
Оригинальный текст предоставлен на онлайн-ресурсе www.FordBook.ru