Стартер фирмы BOSCH — описание конструкции (Скорпио 2)

            0

Для пуска двигателя внутреннего сгорания применяется небольшой электродвигатель, называемый стартером. Чтобы двигатель автомобиля можно было запустить, стартер должен раскрутить коленчатый вал двигателя до частоты не менее 300 1/мин. Осуществить это можно лишь при безупречно работающем стартере и достаточном заряде аккумуляторной батареи.

Стартер состоит из корпуса привода, корпуса полюсов и корпуса коллектора. В корпусе полюсов расположен якорь, а в корпусе коллектора - коллектор и щеткодержатель. В щеткодержателе находятся щетки, которые хотя и медленно, но постоянно изнашиваются. При большой изношенности щеток безупречная работа стартера невозможна.

В передней части корпуса привода располагается привод шестерни. Когда при включении стартера на него подается напряжение от аккумуляторной батареи, тяговое репе, расположенное на корпусе стартера, через рычаг включения привода выдвигает шестерню по винтовым шлицам на валу якоря к зубчатому венцу маховика. Как только шестерня достигает упора на конце вала якоря, она входит в силовое зацепление с зубчатым венцом маховика. При этом тяговое реле включает электрическую цепь стартера, и теперь он может проворачивать коленчатый вал двигателя до пусковой частоты вращения. Как только двигатель заработает, венец маховика начнет вращать шестерню быстрее, чем вращается вал стартера, и она, выйдя из зацепления с венцом маховика, по винтовым шлицам вала переместится в исходное положение.

Так как при пуске двигателя стартер потребляет большой ток, в рамках обслуживания двигателя необходимо обращать внимание на безупречное соединение проводов. Коррозию в местах соединений проводов удалить и смазать кислотостойкой защитной смазкой.


Двигатели оснащаются стартерами разной мощности, изготовленными разными фирмами (BOSCH, MAGNETIMARELLI, NIPPON-DENSO) Это необходимо иметь в виду при замене стартера.

Внимание: Стартер, в зависимости от типа, является обменным агрегатом. Это означает, что неисправный стартер принимается изготовителем в оплату при покупке бывшего в ремонте или нового стартера, и поэтому старый стартер следует взять с собой в магазин.


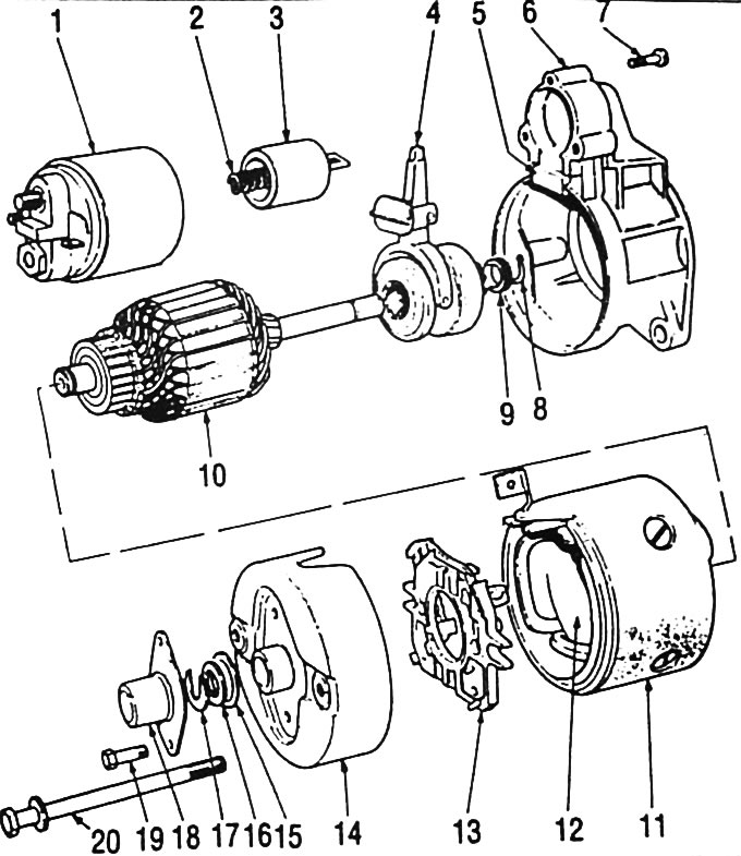
Стартер BOSCH мощностью 0,85 и 0,95 кВт с коротким корпусом:

Стартер BOSCH мощностью 0,85 и 0,95 кВт с коротким корпусом:
1 - тяговое реле
2 - пружина тягового реле
3 - сердечник тягового реле
4 - рычаг включения
5 - резиновый изолятор
6 - крышка со стороны привода
7 - болты крепления
8 - стопорная шайба
9 - упорное кольцо
10 - ротор
11 - корпус
12 - корпус полюсов
13 - щеткодержатель
14 - крышка подшипника коллектора
15 - уплотнительное кольцо
16 - установочная шайба
17 - стопорная шайба
18 - защитная крышка
19 - винт крепления
20 - сквозной болт






Ссылка на эту страницу в разных форматах
HTMLTextBB Code


Комментарии посетителей


Еще нет комментариев





Фьюжн 
Скорпио 1 
Скорпио 2 
Сиерра 

Анекдот про автомобили
покажите следующий