Оглавление: Шестерни механической коробки… ↳ Разборка вторичного вала ↳ Сборка вторичного вала ↳ Разборка и сборка первичного и… ↳
Картер механической коробки передач типа С
1 – передняя часть картера; 2 – задняя часть картера; 3 – крышка; 4 – направляющая втулка выжимного подшипника сцепления; 5 – прокладка крышки
Шестерни механической коробки передач типа С
1 – первичный вал; 2 – вторичный вал; 3 – ось блока шестерен промежуточного вала; 4 – шестерня постоянного зацепления промежуточного вала; 5 – ось промежуточной шестерни задней передачи; 6 – синхронизатор 3-ей–4-ой передач; 7 – синхронизатор 1-ой–2-ой передач; 8 – прецизионный подшипник; 9 – шестерня привода спидометра
В черных кружках приведены номера передач отдельных шестерен (AR – задняя передача).
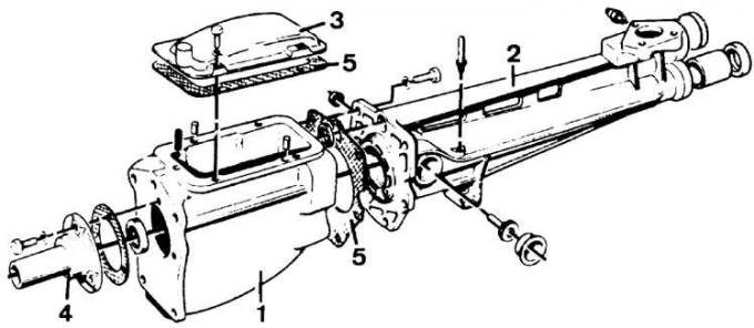
Механизм переключения передач коробки передач типа С
1 – рычаг переключения передач; 2 – тяга управления; 3 – кольцо устройства фиксации; 4 – селектор; 5 – вилки 3-ей–4-ой передач; 6 – вилки 1-ой–2-ой передач; 7 – вилки задней передачи
Разборка вторичного вала
1. Извлечь стопорное кольцо из гнезда в задней части картера коробки передач.
2. Извлечь полностью вторичный вал (ударяя медным молотком).
3. Снять стопорное кольцо ступицы синхронизатора 3-ей–4-ой передач, извлечь ступицу синхронизатора и шестерню 3-ей передачи (можно воспользоваться универсальным съемником с двумя щеками).

4. Извлечь стопорное кольцо и снять с вторичного вала шестерню привода спидометра, а также шарик защелки.

5. Снять стопорное кольцо, прецизионный подшипник, а также уплотнительное кольцо с вторичного вала; в процессе выполнения этой операции упереть шестерню 1-ой передачи в стальную подставку в виде буквы U соответствующих размеров.
6. Снять стопорное кольцо ступицы синхронизатора 1-ой–2-ой передач, а затем снять полностью синхронизатор 1-ой–2-ой передач.
7. Снять две ступицы синхронизатора, скользящие муфты, извлечь сухари и пружины.
8. Поднять автомобиль.
9. Щиток сцепления.
10. Нижние болты крепления картера сцепления к блоку цилиндров.
Сборка вторичного вала
1. Тщательно очистить все детали и проверить их техническое состояние, а перед сборкой смазать маслом для коробок передач.
2. В случае установки новых заводских деталей следует покрыть их рабочие поверхности, а также взаимодействующие поверхности вторичного вала специальной смазкой S-MIC-4505 A.

3. "Приклеить" при помощи смазки сухари фиксаторов к ступицам синхронизаторов 1-ой–2-ой и 3-ей–4-ой передач. Вставить скользящие муфты синхронизаторов на ступицы и установить в соответствии с их обозначениями.
4. Вставить на вторичный вал ступицу с втулкой синхронизатора 1-ой–2-ой передач, направляя назад проточку втулки, предназначенную для вилок. Установить стопорное кольцо.
5. Вставить кольцо синхронизатора и шестерню 1-ой передачи. Вставить уплотнительное кольцо так, чтобы его больший диаметр находился со стороны шестерни.

6. Определить толщину необходимого пружинного кольца фиксирующего на вторичном валу подшипник. Для этого следует поступить таким же образом, как и в случае, для коробки передач типа А (см. подраздел 6.1.4).
7. Установить на вторичный вал шариковый подшипник, а также стопорное кольцо необходимой толщины.
8. Покрыть поверхность шарикового подшипника универсальной смазкой для точных подшипников.
9. Вдавить шариковый подшипник на место на вторичном валу при помощи втулки соответствующих размеров или другого соответствующего универсального инструмента.
10. Установить на вторичный вал шестерню привода спидометра и установить вторичный вал таким образом, чтобы углубление на шарике фиксатора находилось сверху. Установить шарик фиксатора в гнезде, правильно установить шестерню привода спидометра на валу и зафиксировать стопорным кольцом.
11. Установить на вторичный вал синхронизатор 3-ей–4-ой передач кольцевым утолщением вперед. Установить стопорное кольцо.
12. Подогреть заднюю часть картера коробки передач путем погружения ее в горячую воду и установить в ней вторичный вал.
13. Вставить стопорное кольцо на необходимое место. Это кольцо должно находиться в гнезде в задней части картера коробки передач.
Разборка и сборка первичного и промежуточного вала
1. Снять с первичного вала стопорное кольцо и подшипник.
Внимание! Для облегчения последующей установки подшипника установить на его место стопорное кольцо большого диаметра.
2. Покрыть универсальной смазкой прецизионные подшипники первичного вала, вдавить подшипник и извлечь стопорное кольцо большого диаметра.
3. Извлечь (вставленный в процессе снятия оси промежуточного вала) стержень из отверстия в блоке шестерен промежуточного вала. Извлечь 29 подшипниковых игл и упорные шайбы с двух сторон блока шестерен промежуточного вала.
4. Снова вставить извлеченный стержень в отверстие в блоке шестерен. Наполнить с обеих его сторон универсальной смазкой пространство между стержнем и отверстием блока шестерен промежуточного вала.
5. Установить по порядку с обеих сторон: дистанционную втулку, комплект подшипниковых игл и вторую дистанционную втулку.
6. Извлечь при помощи отвертки уплотнительное кольцо с наружного кольца подшипника первичного вала.
7. Покрыть кромку уплотнительного кольца универсальной смазкой.
8. При помощи соответствующего приспособления осторожно вдавить новое уплотнительное кольцо в подшипник первичного вала.
Эта статья была заимствована с сайта [www.fordbook.ru]