Оглавление: Снятие ↳ Установка ↳
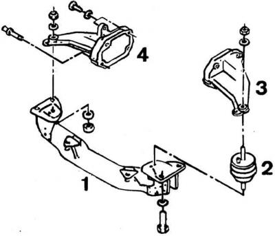
Элементы подвески двигателя
1 – поперечная балка, 2 – эластичная опора, 3, 4 – кронштейны подвески двигателя
Снятие
Снятие двигателя без коробки передач производится вверх из моторного отсека с помощью грузоподъемного механизма. Можно также производить снятие двигателя вместе с коробкой передач, однако это значительно труднее, так как для этого требуется установить автомобиль на подъемнике и с помощью дополнительного подъемника опустить двигатель вместе с коробкой передач вниз, предварительно отсоединив и сняв агрегаты, препятствующие опусканию силового агрегата.
1. Снять отрицательный провод с аккумулятора.
2. Снять защиту картера и брызговик.
3. Снять решетку радиатора.
4. Отсоединить трос открытия капота от механизма закрывания капота и извлечь из фиксаторов.
5. Снять капот, предварительно отметив положение петель, для облегчения повторной установки и отсоединив трубку омывателя ветрового стекла.
6. Слить охлаждающую жидкость из системы охлаждения, для чего под сливную пробку радиатора подставить соответствующий контейнер и открыть сливную пробку расположенную в нижней части радиатора. Для ускорения слива охлаждающей жидкости открыть пробку расширительного бачка. Для слива охлаждающей жидкости из блока цилиндров отвинтить дренажный болт, расположенный в блоке цилиндров.
7. Ослабить хомуты и снять патрубки и шланги системы охлаждения:
- верхний и нижний патрубки радиатора;
- шланги расширительного бачка;
- шланги системы отопления салона;
- корпуса автоматического пускового устройства карбюратора.
8. Отвинтить четыре болта крепления верхней передней поперечины, два болта с двух сторон вверху и два нижних болта крепления опоры поперечины и снять ее вместе с радиатором.
9. Снять воздушный фильтр.
10. Снять с топливного насоса подводящий топливный шланг и заглушить его пробкой.
11. Снять с карбюратора трос акселератора.
12. Отсоединить вакуумную трубку усилителя тормозов от впускного коллектора
13. Отключить электрические провода и снять разъемы со следующих агрегатов и датчиков:
- генератора;
- стартера;
- шину заземления;
- датчика температуры;
- датчика температуры управления двигателем;
- датчика давления масла;
- электромагнитного клапана на топливном насосе высокого давления;
- электромагнитной муфты вентилятора;
- системы впрыска топлива;
- электрического обогревателя впускного коллектора;
- высоковольтный провод с катушки зажигания;
- термодатчика радиатора.
14. Снять с распределителя зажигания распределитель высокого напряжения вместе с проводами.
15. Отсоединить от распределителя зажигания многоконтактный разъем.

16. Снять датчик уровня масла.
17. Отсоединить от карбюратора трос педали акселератора.
18. Отсоединить от карбюратора топливные и вакуумные шланги, а также электрические провода.
19. Снять клиновой ремень и вспомогательный насос системы рулевого управления (если присутствует в данной версии). Подвесить вспомогательный насос к кузову автомобиля при помощи мягкой проволоки.
20. Отвинтить переднюю приемную трубу от выпускного коллектора.
21. Отвинтить хомуты крепления стабилизатора и снять стабилизатор.
22. Установить таль для подъема двигателя (приспособление 21.068) и приподнять двигатель, а затем отвинтить держатели двигателя.
23. Отвинтить болты, соединяющие двигатель с коробкой передач.
24. Отсоединить электрические провода и снять стартер.
25. Отсоединить от двигателя провод массы.
26. Снять держатель, расположенный между двигателем и коробкой передач.
27. Подпереть коробку передач при помощи соответствующего подъемника и широкой доски и немного приподнять коробку передач.
28. Соблюдая осторожность, грузоподъемным механизмом приподнять двигатель и отделить от него коробку передач.
Приподнимая двигатель одновременно сместить его вперед и поворачивая его в горизонтальной плоскости извлечь вверх.
Установка
1. Установка двигателя производится в последовательности, обратной снятию, при этом необходимо обратить внимание на некоторые особенности.
2. Смазывание маслом шлицов вала сцепления коробки передач перед соединением этих узлов.
3. При установке сцепления на маховик необходимо отцентрировать диск сцепления центрирующей оправкой.
4. Если при присоединении коробки передач к двигателю, первичный вал коробки передач не входит в диск сцепления необходимо немного провернуть коленчатый вал двигателя.
5. Установить новую прокладку передней выпускной трубы.
6. Заполнить систему охлаждения соответствующей жидкостью и удалить воздух из системы охлаждения.
7. Проверить и в случае необходимости отрегулировать угол опережения зажигания, а также число оборотов двигателя на холостом ходу и концентрацию CO в выхлопных газах.
[Копия статьи доступна на сайте: www.fordbook.ru]