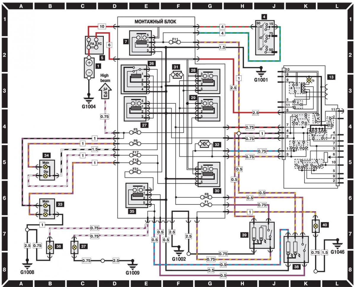
Фары головного освещения, задний противотуманный фонарь (модели выпуска с 1996 г.)

Открыть большую картинку в новой вкладке »
- 1 – аккумуляторная батарея;
- 4 – замок зажигания;
- 5 – дополнительный монтажный блок;
- 7 – реле зажигания;
- 13 – многофункциональный переключатель;
- d – выключатель освещения;
- h – переключатель дальнего/ ближнего света фар;
- 26 – реле фар 1;
- 27 – реле фар 2;
- 28 – реле дальнего света левой фары;
- 29 – реле дальнего света правой фары;
- 30 – реле ближнего света фар;
- 32 – диод;
- 33 – левая фара;
- 34 – правая фара;
- 35 – реле противотуманного света фар;
- 36 – левая противотуманная фара;
- 37 – правая противотуманная фара;
- 38 – выключатель противотуманных фар;
- 39 – выключатель противотуманного фонаря;
- 40 – задний противотуманный фонарь
Общее описание и обозначения на электрических схемах находится здесь →