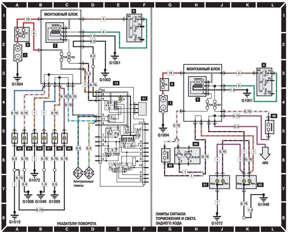
Указатели поворота, лампы сигнала торможения и света заднего хода (модели выпуска с 1996 г.)

Открыть большую картинку в новой вкладке »
- 1 – аккумуляторная батарея;
- 4 – замок зажигания;
- 5 – дополнительный монтажный блок;
- 7 – реле зажигания;
- 13 – многофункциональный переключатель;
- а – выключатель аварийной световой сигнализации;
- b – контрольная лампа включения аварийной световой сигнализации;
- с – переключатель указателей поворота;
- 41 – реле указателей поворота;
- 42 – повторитель левого указателя поворота;
- 43 – левый передний указатель поворота;
- 44 – левый задний указатель поворота;
- 45 – повторитель правого указателя поворота;
- 46 – правый передний указатель поворота;
- 47 – правый задний указатель поворота;
- 48 – выключатель сигнала торможения;
- 49 – выключатель света заднего хода;
- 50 – селектор выбора передач АКП;
- 51 – лампы сигнала торможения и света заднего хода левого заднего фонаря;
- 52 – лампы сигнала торможения и света заднего хода правого заднего фонаря
Общее описание и обозначения на электрических схемах находится здесь →
Комментарии посетителей