Последовательность затягивания болтов головки блока цилиндров двигателя DOHC

Болты М11 – последовательность затягивания: 1–10.
Болты М8 – последовательность затягивания: 11–13.
Расположение крышек подшипников распределительных валов

1. Тщательно очистить сопрягаемые поверхности головки блока цилиндров и блока цилиндров.
2. Установить на блок цилиндров новую прокладку.
3. Провернуть коленчатый вал таким образом, чтобы поршни установились в середине своего хода.
4. Установить головку блока цилиндров на блок цилиндров.

5. Смазать тонким слоем моторного масла резьбу болтов крепления головки блока цилиндров (стрелками показаны болты М8 крепления передней части головки блока цилиндров), установить их на место и затянуть требуемым моментом в определенной последовательности (см. подраздел 3.2.1).
6. Смазать тонким слоем моторного масла опоры распределительных валов в головке и установить на место распределительные валы.
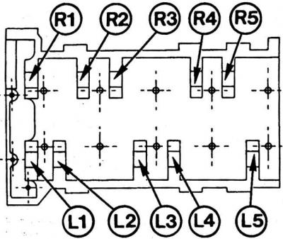
7. Смазать тонким слоем моторного масла крышки подшипников распределительных валов и установить их на место в соответствии с маркировкой. Крышки подшипников распределительного вала управляющего впускными клапанами имеют маркировку R1–R5, а крышки подшипников распределительного вала управляющего выпускными клапанами имеют маркировку L1–L5. Нумерация крышек со стороны привода механизма газораспределения.
8. Установить трубопровод подачи масла к кулачкам распределительных валов.
9. Постепенно и последовательно затянуть гайки крепления крышек крепления распределительных валов в определенной последовательности. От руки затягивать гайки крепления, поворачивая их последовательно на 180° до соприкосновения крышки с головкой блока цилиндров. Последовательность затягивания: L1 и R1, L5 и R5, L3 и R3. Затем завинтить от руки остальные гайки крепления крышек.
10. Затянуть гайки крепления крышек требуемым моментом, поворачивая их на один и тот же угол в следующей последовательности: L1 и R1, L5 и R5, L3 и R3, L2 и L4, R2 и R4.
11. Установить цепь газораспределительного механизма и звездочки (см. подраздел 3.2.2.1).
12. Установить крышку головки блока цилиндров с новой прокладкой и затянуть болты крепления крышки последовательно от края к центру.
13. Ввинтить свечи зажигания.
14. Установить распределитель зажигания, ротор распределителя и крышку.
15. Установить на место высоковольтные провода.
16. Привинтить к выпускному коллектору приемную выхлопную трубу с новой прокладкой.
17. Подключить провода к вентилятору радиатора.
18. На автомобилях с системой впрыска топлива подключить жгут проводов к двигателю и топливопроводы к регулятору давления.
19. Подсоединить вакуумные шланги и трос акселератора.
20. Подсоединить шланг системы вентиляции картера двигателя к головке блока цилиндров.
21. Подсоединить шланг подачи охлаждающей жидкости к патрубку на головке блока цилиндров.
22. Подсоединить шланг радиатора и расширительного бачка.
23. Установить воздушный фильтр.
24. Залить моторное масло в двигатель.
25. Залить охлаждающую жидкость в систему охлаждения.
26. Подключить провод массы к аккумулятору.
27. Запустить двигатель и при необходимости отрегулировать.
[Оригинальная запись находится на веб-портале: www.fordbook.ru]