Стеклоподъемники, замки дверей и освещение «Escort» 1983—1985 (Эскорт 3)

            0


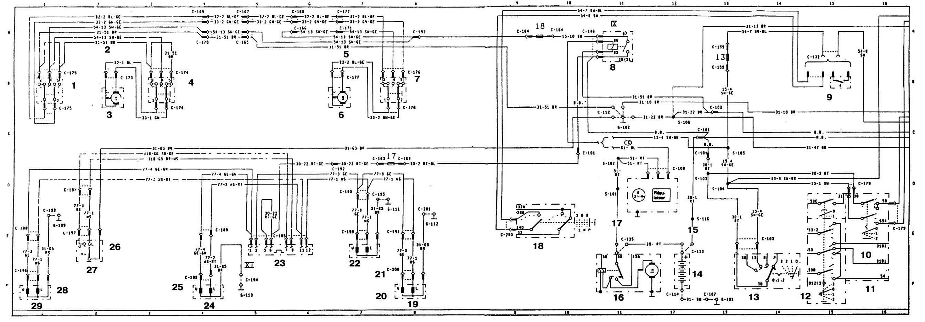
Схема соединений стеклоподъемников, центральной блокировки замков дверей и наружного освещения автомобилей Ford «Escort» выпуска 1983 — 1985 гг.

1, 4 и 7 — переключатель стеклоподъемника; 2 — левая передняя дверь; 3 и 6 — электродвигатель стеклоподъемника; 5 — правая передняя дверь; 8 — реле стеклоподъемников; 9 — выключатель света заднего хода; 10 — освещение; 11 — переключатель освещения и стеклоочистителя; 12 — стеклоочиститель; 13 — выключатель зажигания с противоугонным устройством; 14 — аккумуляторная батарея 12 В; 15 и 17 — плавкое соединение; 16 — стартер; 18 — выключатель блокировки стартера; 19, 22, 24 и 29 — электромагнитный привод; 20 — правая задняя дверь; 21 — правая передняя дверь; 23 — реле центральной блокировки замков дверей; 25 — дверь задка; 26 — левая передняя дверь; 27 — выключатель блокировки дверей; 28 — левая задняя дверь.







Ссылка на эту страницу в разных форматах
HTMLTextBB Code


Комментарии посетителей


Еще нет комментариев





Эскорт 5 
Эскорт 4 
Эскорт 3 

Анекдот про автомобили
покажите следующий