Русский
English
Български
Беларускі
Український
Српски
Hrvatski
Română
Polski
Slovenský
Magyar
Карта сайта
Контакты
Поиск по сайту
Главная
Focus
Mondeo
Escort
Fiesta
Taurus
Transit
Прочие
Статьи
Фьюжн
(2002-2012)
Скорпио 1
(1985-1994)
Скорпио 2
(1994-1998)
Сиерра
(1982-1993)
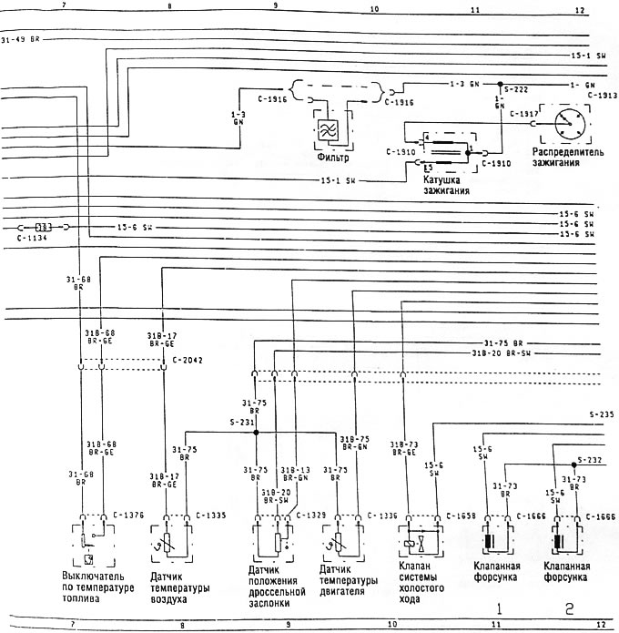
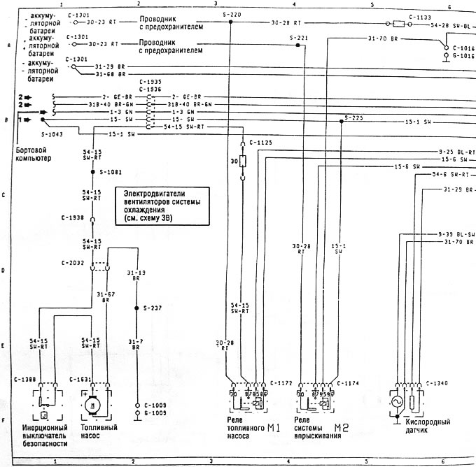
Схема 4. Система управления двигателя, система впрыскивания бензина
(Скорпио 2)
Главная
Форд
Скорпио 2
Электрооборудование
Электрические схемы
Схема 4. Система управления двигателя, система впрыскивания …
0
Схема 4. Система управления двигателя, система впрыскивания бензина - двигатель DOHC с рабочим объемом 2.0 л
Знакомство с электрической схемой и буквенные обозначения
здесь →
[Для уточнений перейдите на сайт FordBook.ru]
Эта статья доступна на
английском
,
болгарском
,
белорусском
,
украинском
,
сербском
,
хорватском
,
румынском
,
польском
,
словацком
,
венгерском
Проверка статьи:
Кошелев Афанасий
Поделитесь информацией:
« Предыдущие статьи
Схема 3. Система зарядки и запуска II — двигатель DOHC (впрыск)
Схема 2. Система зарядки и запуска I — все двигатели
Схема 1. Система питания электрических цепей
Знакомство с электрической схемой и буквенные обозначения
Следующие статьи »
Схема 5. Наружное освещение
Схема 6. Контрольные лампы и сигнализаторы
Схема 7. Освещение щитка приборов, вещевого ящика, багажного отсека
Схема 8. Система очистки и омывания оконных стекол
Смотрите другие похожие статьи для автомобилей Форд:
• Система запуска двигателя ZETEC-E
Форд Фокус Турнир 1 (1998-2004)
• Система активной безопасности (системы электронного управления…
Форд Мондео 4 (2007-2014)
• Система смазки двигателя модели GLA
Форд Эскорт 3 (1980-1985)
• Система впрыска дизельного двигателя 1,8D
Форд Фиеста 4 (1996-1999)
• Электронная система контроля двигателя (EEC - IV)
Форд Таурус 1 и 2 (1986-1994)
• Схема 21. Система управления дизельным двигателем с турбонаддувом —…
Форд Транзит 2 (1986-2000, дизель)
Ссылка на эту страницу в разных форматах
HTML
Text
BB Code
Форд Скорпио 2 1994-1998: Схема 4. Система управления двигателя, система впрыскивания бензина
- статья на сайте о ремонте американских автомобилей Ford www.FordBook.ru
Статья о ремонте автомобилей Форд Скорпио 2 1994-1998: Схема 4. Система управления двигателя, система впрыскивания бензина https://www.fordbook.ru/other/scorpio-2/electrics/schemes/shema-4-sistema-upravleniya-dvigatelya-sistema-vpryskivaniya-benzina
[url=https://www.fordbook.ru/other/scorpio-2/electrics/schemes/shema-4-sistema-upravleniya-dvigatelya-sistema-vpryskivaniya-benzina]Форд Скорпио 2 1994-1998: Схема 4. Система управления двигателя, система впрыскивания бензина[/url] - статья на сайте о ремонте американских автомобилей Ford www.FordBook.ru
Комментарии посетителей
Еще нет комментариев
Сколько будет 25 + 23 =
Фьюжн
Общая информация
Устройство автомобиля
Руководство по эксплуатации
Неисправностив пути
Техническое обслуживание
Советы автовладельцу
Силовой агрегат
Ремонт двигателя
Система смазки и охлаждения
Система питания
Выхлоп и улавливание паров
Трансмиссия
Сцепление
Коробка передач
Приводы передних колес
Шасси
Передняя подвеска
Задняя подвеска
Рулевое управление
Тормозная система
Колеса и шины
Кузов
Экстерьер
Интерьер
Двери, замки и окна
Уход за кузовом
Электрооборудование
Оборудование и приборы
Электрика двигателя
Освещение и сигнализация
Выключатели и датчики
Электрические схемы
Скорпио 1
Общая информация
Руководство по эксплуатации
Техническое обслуживание
Силовой агрегат
Бензиновые двигатели OHC
Бензиновые двигатели DOHC
Бензиновые двигатели V6
Зажигание и управление
Дизельные двигатели
Система охлаждения
Система питания
Карбюраторы
Впрыск топлива
Трансмиссия
Сцепление
Механическая коробка N
Механическая коробка МТ 75
Автоматическая коробка А4LD
Задний мост и приводные валы
Шасси
Рулевое управление
Рулевое управление с ГУР
Передняя подвеска
Задняя подвеска
Тормозная система
Кузов
Экстерьер
Интерьер
Двери, замки и окна
Отопление и вентиляция
Электрооборудование
Оборудование и приборы
Силовые устройства
Электрические схемы
Скорпио 2
Общая информация
Уход за автомобилем
Техническое обслуживание
Силовой агрегат
Ремонт двигателя
Система смазки
Система охлаждения
Система зажигания
Система питания
Карбюраторы
Система впрыска (бензин)
Система впрыска (дизель)
Система выхлопа ОГ
Трансмиссия
Сцепление
Коробка передач
Шасси
Передняя подвеска
Задняя подвеска
Рулевое управление
Тормозная система
Колеса и шины
Кузов
Экстерьер
Интерьер
Двери, замки и окна
Система отопления
Электрооборудование
Оборудование и приборы
Фары и освещение
Стеклоочистители и омыватели
Силовые устройства
Электрические схемы
Сиерра
Общая информация
Руководство по эксплуатации
Техническое обслуживание
Бензиновые двигатели
Ремонт двигателей
Система зажигания
Топливная система
Система охлаждения и смазки
Изменения 1984-1986 годов
Изменения 1987-1989 годов
Изменения 1990-1993 годов
Дизельные двигатели
Ремонт двигателей
Топливная система
Система охлаждения и смазки
Изменения 1988-1993 годов
Трансмиссия
Сцепление
Механическая коробка
Автоматическая коробка
Кардан и задний мост
Шасси
Рулевое управление
Рулевое управление с ГУР
Передняя подвеска
Задняя подвеска
Тормозная система
Кузов и электрика
Элементы кузова и двери
Электрооборудование
Электрические схемы
Анекдот про автомобили
покажите следующий
Мы применяем куки, чтобы сайт работал стабильно, запоминал настройки и был удобен для вас 🍪
Продолжить