Русский
English
Български
Беларускі
Український
Српски
Hrvatski
Română
Polski
Slovenský
Magyar
Карта сайта
Контакты
Поиск по сайту
Главная
Focus
Mondeo
Escort
Fiesta
Taurus
Прочие
Статьи
Фьюжн
(2002-2012)
Скорпио 1
(1985-1994)
Скорпио 2
(1994-1998)
Сиерра
(1982-1993)
Схема контура сигнализации, поворотов и контроля систем
(Скорпио 1)
Главная
Форд
Скорпио 1
Электрооборудование
Электрические схемы
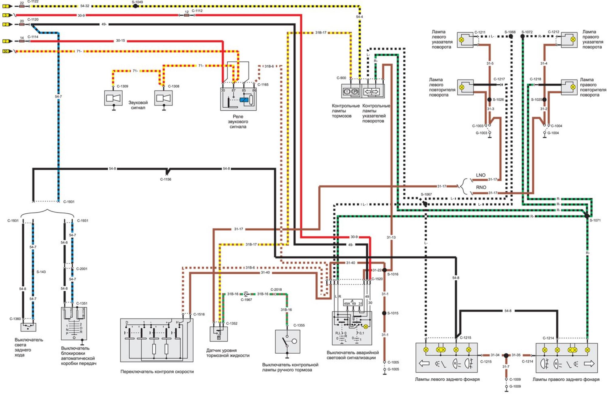
Схема контура сигнализации, поворотов и контроля систем
0
Схема электрического контура сигнализации, поворотов и контроля систем
Открыть большую картинку в новой вкладке »
Эта статья доступна на
английском
,
болгарском
,
белорусском
,
украинском
,
сербском
,
хорватском
,
румынском
,
польском
,
словацком
,
венгерском
Проверка статьи:
Островский Герман
Поделитесь информацией:
« Предыдущие статьи
Схема электрического контура наружного освещения
Схема электрического контура системы управления двигателем 2,8 л
Схема контура системы управления двигателем 2,0 л OHC с системой впрыска
Схема контура системы управления двигателем 2,0 л OHC с карбюратором
Схема электрического контура системы управления двигателем 1,8 л
Схема электрического контура зарядки и запуска двигателя (все двигатели)
Следующие статьи »
Схема электрического контура внутреннего освещения
Схема контура привода стеклоочистителей и стеклоомывателей
Схема контура системы центральной блокировки дверей
Схема электрического контура привода стеклоподъемников
Схема контура антиблокировочной системы тормозов (ABS)
Схема контура дополнительной контрольной системы AWS
Смотрите другие похожие статьи для автомобилей Форд:
• Схема 6а. Соединения системы контроля скорости
Форд Фокус 2 (2004-2010)
• Описание систем контроля выбросов
Форд Мондео 1 и 2 (1993-2000)
• Схема соединений указателей поворотов автомобиля «Orion»
Форд Эскорт 3 (1980-1985)
• Принципиальная электрическая схема двигатель 1.1 (HSS-Valencia)
Форд Фиеста 2 (1983-1989)
• Обслуживание систем воздушного кондиционирования и обогрева
Форд Таурус 1 и 2 (1986-1994)
Ссылка на эту страницу в разных форматах
HTML
Text
BB Code
Форд Скорпио 1 1985-1994: Схема контура сигнализации, поворотов и контроля систем
- статья на сайте о ремонте американских автомобилей Ford www.FordBook.ru
Статья о ремонте автомобилей Форд Скорпио 1 1985-1994: Схема контура сигнализации, поворотов и контроля систем https://www.fordbook.ru/other/scorpio-1/electrics/schemes/shema-kontura-signalizacii-povorotov-i-kontrolya-sistem
[url=https://www.fordbook.ru/other/scorpio-1/electrics/schemes/shema-kontura-signalizacii-povorotov-i-kontrolya-sistem]Форд Скорпио 1 1985-1994: Схема контура сигнализации, поворотов и контроля систем[/url] - статья на сайте о ремонте американских автомобилей Ford www.FordBook.ru
Комментарии посетителей
Еще нет комментариев
Сколько будет 44 + 26 =
Фьюжн
Общая информация
Устройство автомобиля
Руководство по эксплуатации
Неисправностив пути
Техническое обслуживание
Советы автовладельцу
Силовой агрегат
Ремонт двигателя
Система смазки и охлаждения
Система питания
Выхлоп и улавливание паров
Трансмиссия
Сцепление
Коробка передач
Приводы передних колес
Шасси
Передняя подвеска
Задняя подвеска
Рулевое управление
Тормозная система
Колеса и шины
Кузов
Экстерьер
Интерьер
Двери, замки и окна
Уход за кузовом
Электрооборудование
Оборудование и приборы
Электрика двигателя
Освещение и сигнализация
Выключатели и датчики
Электрические схемы
Скорпио 1
Общая информация
Руководство по эксплуатации
Техническое обслуживание
Силовой агрегат
Бензиновые двигатели OHC
Бензиновые двигатели DOHC
Бензиновые двигатели V6
Зажигание и управление
Дизельные двигатели
Система охлаждения
Система питания
Карбюраторы
Впрыск топлива
Трансмиссия
Сцепление
Механическая коробка N
Механическая коробка МТ 75
Автоматическая коробка А4LD
Задний мост и приводные валы
Шасси
Рулевое управление
Рулевое управление с ГУР
Передняя подвеска
Задняя подвеска
Тормозная система
Кузов
Экстерьер
Интерьер
Двери, замки и окна
Отопление и вентиляция
Электрооборудование
Оборудование и приборы
Силовые устройства
Электрические схемы
Скорпио 2
Общая информация
Уход за автомобилем
Техническое обслуживание
Силовой агрегат
Ремонт двигателя
Система смазки
Система охлаждения
Система зажигания
Система питания
Карбюраторы
Система впрыска (бензин)
Система впрыска (дизель)
Система выхлопа ОГ
Трансмиссия
Сцепление
Коробка передач
Шасси
Передняя подвеска
Задняя подвеска
Рулевое управление
Тормозная система
Колеса и шины
Кузов
Экстерьер
Интерьер
Двери, замки и окна
Система отопления
Электрооборудование
Оборудование и приборы
Фары и освещение
Стеклоочистители и омыватели
Силовые устройства
Электрические схемы
Сиерра
Общая информация
Руководство по эксплуатации
Техническое обслуживание
Бензиновые двигатели
Ремонт двигателей
Система зажигания
Топливная система
Система охлаждения и смазки
Изменения 1984-1986 годов
Изменения 1987-1989 годов
Изменения 1990-1993 годов
Дизельные двигатели
Ремонт двигателей
Топливная система
Система охлаждения и смазки
Изменения 1988-1993 годов
Трансмиссия
Сцепление
Механическая коробка
Автоматическая коробка
Кардан и задний мост
Шасси
Рулевое управление
Рулевое управление с ГУР
Передняя подвеска
Задняя подвеска
Тормозная система
Кузов и электрика
Элементы кузова и двери
Электрооборудование
Электрические схемы
Анекдот про автомобили
покажите следующий
Комментарии посетителей