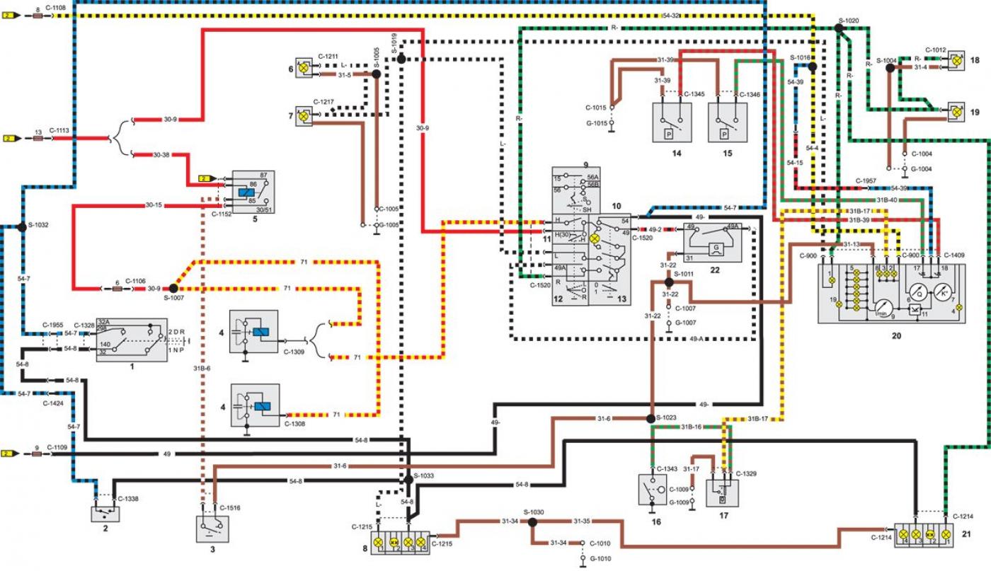
Схема электрического контура комбинации приборов

Открыть большую картинку в новой вкладке »
1 – пусковой выключатель автоматической коробки передач, 2 – выключатель фонарей заднего хода, 3 – выключатель звуковых сигналов, 4 – звуковые сигналы, 5 – реле звуковых сигналов, 6 – передний левый указатель поворота, 7 – боковой левый указатель поворота, 8 – задний левый фонарь, 9 – переключатель фар дальнего и ближнего света, 10 – многофункциональный переключатель, 12 – кнопка звукового сигнала, 13 – выключатель аварийных огней, 14 – выкуумный выключатель желтой контрольной лампочки расхода топлива, 15 – вакуумный выключатель красной контрольной лампочки расхода топлива, 16 – датчик затягивания рычага ручного тормоза, 17 – датчиу уровня тормозной жидкости, 18 – передний правый указатель поворота, 19 – боковой правый указатель поворота, 20 – комбинация приборов, 21 – задний правый фонарь, 22 – реле указателей поворотов
Оригинал можно обнаружить на этом ресурсе [FORDBOOK.RU]
Комментарии посетителей