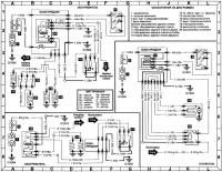
Диаграмма 7. Обогреватели ветрового и заднего стекол, и вентилятор отопителя - автомобили изготовленные с 1996 года.
1 аккумулятор
4 катушка зажигания
5 доп. кор. с предохранителями
7 реле зажигания
69 реле обогревателя заднего стекла
70 вкл. обогревателя заднего стекла
71 обогреватель заднего стекла (седан)
72 обогреватель заднего стекла (хэтчбэк)
73 левый обогр. заднего стекла (фургон)
74 пр. обогр. задн. ст. (фургон)
75 контактная плата
76 реле стеклоочистителя
77 выкл стеклоочистителя
78 стеклоочиститель
79 вентилятор отопителя
80 выключатель отопителя

Комментарии посетителей