Щиток приборов — описание конструкции (Скорпио 2)

            0

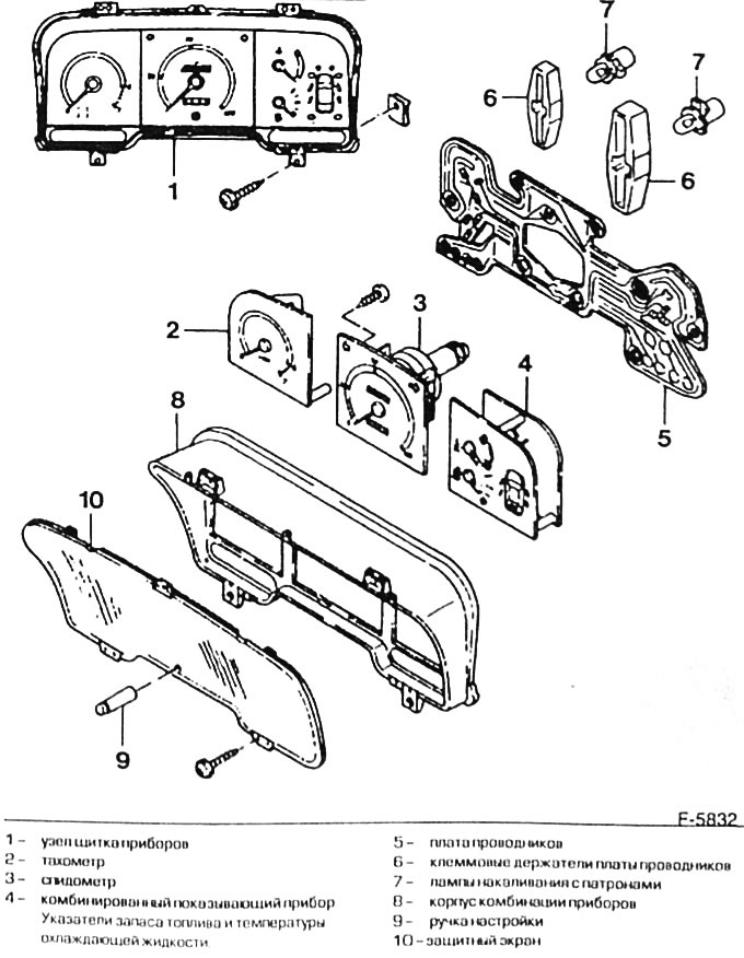
В автомобилях FORD SCORPIO все приборы размешаются на щитке приборов. Если необходимо заменить лампы накаливания подсветки панели щитка, щиток приборов следует снять. У автомобилей до 8/94 для замены отдельных приборов щиток приборов можно разбирать. У автомобилей более позднего выпуска заменять отдельно можно только защитный экран щитка приборов. В данной главе излагаются также сведения относительно выключателей на щитке приборов.

Щиток приборов, модели до 8/94

Щиток приборов, модели до 8/94


(Оригинальная запись находится на веб-портале: FORDBOOK)






Ссылка на эту страницу в разных форматах


Комментарии посетителей

Еще нет комментариев



Фьюжн 
Скорпио 1 
Скорпио 2 
Сиерра 

Анекдот про автомобили
покажите следующий