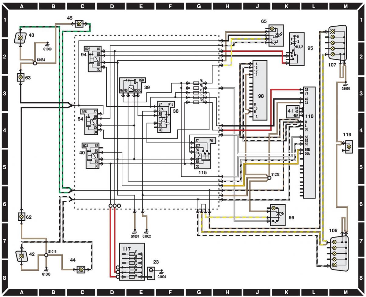
Внешнее освещение, указатели поворота, противотуманный свет (модели выпуска до 1995 г.)

Открыть большую картинку в новой вкладке »
- 23 – аккумуляторная батарея;
- 38, 39, 40 – реле;
- 41 – реле указателей поворота;
- 42 – левый передний указатель поворота;
- 43 – правый передний указатель поворота;
- 44 – повторитель левого указателя поворота;
- 45 – повторитель правого указателя поворота;
- 62 – левая противотуманная фара;
- 63 – правая противотуманная фара;
- 64 – реле противотуманного света фар;
- 65 – выключатель противотуманного света фар;
- 66 – выключатель противотуманного света задних фонарей;
- 94 – реле зажигания;
- 95 – замок зажигания;
- 98 – комбинация приборов;
- 106 – левый задний фонарь;
- 107 – правый задний фонарь;
- 115 – реле дальнего света фар;
- 117 – блок предохранителей в моторном отсеке;
- 118 – переключатель освещения;
- 119 – фонарь освещения номерного знака
Общее описание и обозначения на электрических схемах находится здесь →
Комментарии посетителей