Рулевой механизм типа «шестерня-рейка» — снятие, разборка и установка (Транзит 2)

            0

Снятие



1. Отсоедините отрицательный провод батареи.

2. Установите рулевое колесо так, чтобы колеса смотрели прямо вперед, и зафиксируйте колонку в этом положении.

3. Отвинтите болт прижимной пластины шарового шарнира соединяющей рулевую колонку с карданным шарниром. Отодвиньте прижимную пластину в сторону. Обратите внимание, что при установке прижимной пластины потребуется новый болт.

4. Ослабив болты передних колес, поддомкратьте переднюю часть автомобиля и установите ее на опорах. Снимите передние колеса.

5. Обратившись к Разделу 26, отсоедините шаровые шарниры конца поперечной рулевой тяги от поворотных рычагов.


6. Сняв болты, крепящие рулевой механизм к поперечной балке, отведите рулевой механизм вниз, чтобы отсоединить карданный шарнир от рулевой колонки.

7. Отвинтите стяжной болт и отделите карданный шарнир от вала шестерни.

8. Чтобы снять втулки крепления, их необходимо выдавить или выбить при помощи трубы или гнезда подходящего диаметра.

Разборка



9. Закрепите рулевой механизм в тисках с защитными подушками на щеках Разрежьте фиксирующие зажимы защитных покрытий ("гармошек") рулевой передачи и снимите "гармошки" вниз по поперечной рулевой тяге Снимите защитный колпак шестерни (см. рис. 25.9).

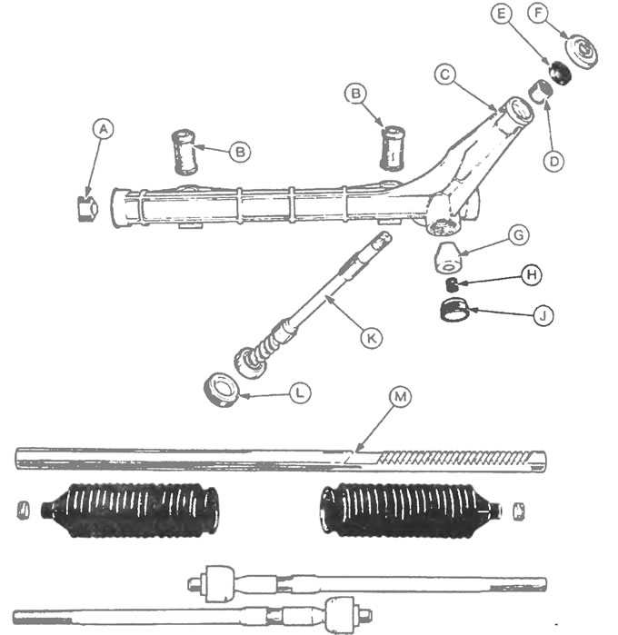
Рис. 25.9. Рулевой механизм типа «шестерня-рейка»: А - Направляющая втулка рейки, В - Втулки…

Рис. 25.9. Рулевой механизм типа «шестерня-рейка»: А - Направляющая втулка рейки, В - Втулки креплений, С - Картер рулевого механизма, D - Верхний подшипник шестерни, Е - Верхнее уплотнение, F - Защитный колпачок, G - Упор рейки, Н - Пружина, J - Гайка упора рейки, К - Шестерня рулевого механизма, L - Крышка подшипника шестерни, М - Рулевая рейка.


10. Отведя рулевую рейку полностью влево (на моделях с правым рулем) или, соответственно, вправо (на моделях с левым рулем), захватите ее в тисках с мягкими подушками на щеках.

11. Если на автомобиль установлены первоначальные поперечные рулевые тяги, отвинтите шаровой шарнир от зубчатой рейки трубным ключом и снимите левую поперечную рулевую тягу (см. рис. 25.11). Если поперечные рулевые тяги в прошлом заменялись, то воспользуйтесь гаечным ключом, накинутым на лыски.

Рис. 25.11. Если на автомобиль установлены оригинальные поперечные рулевые тяги, отвинтите шаровой…

Рис. 25.11. Если на автомобиль установлены оригинальные поперечные рулевые тяги, отвинтите шаровой шарнир от зубчатой рейки трубным ключом и снимите левую поперечную рулевую тягу.


12. Снимите правую поперечную рулевую тягу таким же образом, как и левую.

13. Торцовым шестигранным гаечным ключом отвинтите гайку упора рейки и снимите пружину и упор. Если есть возможность, воспользуйтесь для отвинчивания упора инструментом "Форд" №13-011 (см. рис. 25.9).

14. Снимите крышку нижнего подшипника шестерни, снова воспользовавшись торцовым шестигранным гаечным ключом или более подходящим инструментом "Форд" №13-011 (если он доступен).

Рис. 25.13. Специальный инструмент Ford №13-011, который желательно использовать вместо торцевого…

Рис. 25.13. Специальный инструмент Ford №13-011, который желательно использовать вместо торцевого гаечного ключа при снятии крышек скользящей втулки и нижнего подшипника шестерни.


15. Переместите рулевую рейку в противоположную сторону, вытащите из картера рулевого механизма шестерню. При снятии обратите внимание на ориентацию направляющего шлица вала шестерни. Если непосредственно шестерня или ее подшипники повреждены или сильно изношены, собранную шестерню следует, не разбирая, заменить новой.

16. Вытащите рулевую рейку из картера рулевого механизма. Осторожно извлеките поддерживающий подшипник рулевой рейки.

17. Подшипники и уплотнение рулевой шестерни можно выбить из картера рулевого механизма подходящим кернером.

18. Вычистите, осмотрите и замените, при необходимости, новыми все компоненты. Вычистите крышку скользящей втулки и картер рулевого механизма. Вымойте и зашкурьте подвески трубы рулевой рейки перед сборкой.

19. Вставьте поддерживающую втулку рулевой рейки в картер рулевого механизма, убедившись, что выступы правильно зацеплены.

20. Вбейте на место уплотнение шестерни и задний коренной подшипник так, чтобы подшипник находился на одном уровне с буртиком уплотнения (см. рис. 25.20).

Рис. 25.20. Установите на место уплотнение шестерни и задний коренной подшипник так, чтобы…

Рис. 25.20. Установите на место уплотнение шестерни и задний коренной подшипник так, чтобы подшипник находился на одном уровне с буртиком уплотнения.


21. Смазав подшипники, втулки и уплотнения указанным в спецификации смазочным материалом, вставьте рулевую рейку в картер и разместите ее так, чтобы все ее зубья были видимы.

22. Установите шестерню и подшипник. Перемещая рулевую рейку внутри картера, введите в зацепление рулевую шестерню так чтобы при нахождении рулевой рейки строго по центру картера направляющий шлиц шестерни располагался так, как было отмечено при снятии (см. рис. 25.22).

Рис. 25.22. Установка шестерни и подшипников.

Рис. 25.22. Установка шестерни и подшипников.


23. Заполнив картер рулевого механизма указанной в спецификации смазкой, установите крышку подшипника шестерни и затяните ее до усилия затяжки, регламентированного спецификацией. Подбейте края крышки к картеру кернером или долотом, чтобы законтрить ее.

24. Установите рейку в среднем положении путем вращения, из которого при вращении в любую сторону, число оборотов шестерни до необходимого упора равнялось половине от числа оборотов шестерни необходимых для перемещения от упора до упора, и очистите от смазки резьбы картера и упора рейки.

25. Установите упор с пружиной в картер, смажьте резьбу упора герметиком и установите упор, затянув его до усилия затяжки, регламентированного спецификацией. Переместите рулевую рейку пять раз в каждую сторону на полный рабочий ход для ее приладки, затем отвинтите крышку на 30°.

26. Соответствующим динамометрическим ключом или датчиком предварительной нагрузки проверьте крутящий момент шестерни. Установите рулевую рейку по центру, поверните шестерню на один оборот против часовой стрелки, затем на два оборота по часовой стрелке, снимая значения крутящего момента. Далее верните рейку в центральное положение, повернув шестерню на один оборот против часовой стрелки. Крутящий момент при центральном положении рейки должен соответствовать спецификации. Если требуется, поверните упор рейки на 50° в любом направлении (от положения "минус 30°"). При скольжении рулевой рейки, Вы не должны ощущать биения между задней частью рулевой рейки и упором рейки.

27. Закрепите упор рейки и упор шестерни в картере чеканкой в трех точках по периметру.

28. Переместите рулевую рейку в сторону, чтобы выставить зубья, затем установите рулевой механизм в тисках, чтобы зажать зубья рулевой рейки.

29. Привинтите к рулевой рейке шаровые шарниры рулевых тяг и затяните их. Зачеканьте края соединительных фланцев в канавку рулевой рейки, чтобы захватить их. При помощи трубного ключа для затягивания шарниров снимите любые задиры, стачивая их напильником до гладкости.

30. Установите резиновые защитные чехлы левой передачи, закрепив их новыми хомутами.

31. Заполнив защитный колпачок шестерни указанным в спецификации смазочным материалом, наденьте его по валу шестерни на картер так чтобы обеспечить его контакт с верхней кромкой уплотнения.

Установка



32. Установка производится в порядке, обратном снятию, но перед подсоединением карданного шарнира колонки установите рулевое колесо и передние колеса в положение движения прямо вперед. На новом рулевом механизме для вычисления положения движения прямо вперед поделите на два число оборотов, необходимых для перемещения рулевой рейки от одного упора до другого. Используйте новый болт прижимной пластины при установке карданного шарнира. Затяните гайки и болты до усилия затяжки, регламентированного спецификацией, и установите новые шплинты (там, где предусмотрены). Наконец, проверьте и, если необходимо, отрегулируйте схождение передних колес, как описано в Разделе 36.






Ссылка на эту страницу в разных форматах


Комментарии посетителей

Еще нет комментариев



Мы применяем куки, чтобы сайт работал стабильно, запоминал настройки и был удобен для вас 🍪