Рулевое управление и подвеска передних колес — общая информация (Транзит 2)

            0

Автомобили Ford Transit, выпущенные до 1992 года, могут иметь либо независимую переднюю подвеску (IFS), которая устанавливалась на модели с короткой колесной базой, либо зависимую переднюю подвеску, устанавливаемую на модели с длинной колесной базой, а также на Ford Transit 100L (см. рис. 1.1 а,б). Все модели, выпущенные после 1992 года, независимо от типа колесной базы, оснащены независимой передней подвеской.

Рис. 1.1,а. Детальный вид передней подвески на моделях с независимой передней подвеской.

Рис. 1.1,а. Детальный вид передней подвески на моделях с независимой передней подвеской.


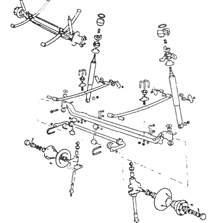
Рис. 1.1,б. Детальный вид зависимой передней подвески.

Рис. 1.1,б. Детальный вид зависимой передней подвески.


Независимая передняя подвес.а включает в себя цилиндрические пружины, нижний рычаг и один телескопический амортизатор двойного действия с каждой стороны.

Зависимая передняя подвеска имеет с каждой стороны одну листовую рессору и один телескопический амортизатор двойного действия.

На некоторых моделях передняя подвеска дополнена стабилизатором поперечной устойчивости.

Система задней подвески включает в себя одинарные или спаренные полуэллиптические листовые рессоры и телескопические амортизаторы двойного действия.

Рулевой механизм устанавливается двух типов: "шестерня-рейка" (модели IFS), либо "винт-гайка" (на модели с независимой подвеской, модели с неразрезным мостом (см. рис. 1.5,а,б). Используемая рулевая колонка на всех моделях одинакова. Кроме того, на обоих типах подвески может быть установлена система гидроусиления руля.

Рис. 1.5,а. Детальный вид рулевого механизма типа «шестерня-рейка»: А - Замок зажигания, В - Труба…

Рис. 1.5,а. Детальный вид рулевого механизма типа "шестерня-рейка": А - Замок зажигания, В - Труба рулевой колонки с рулевым валом, С - Промежуточный вал, D - Картер рулевого механизма, Е - Поворотный кулак, F - Поперечина, G - Крепежные болты.


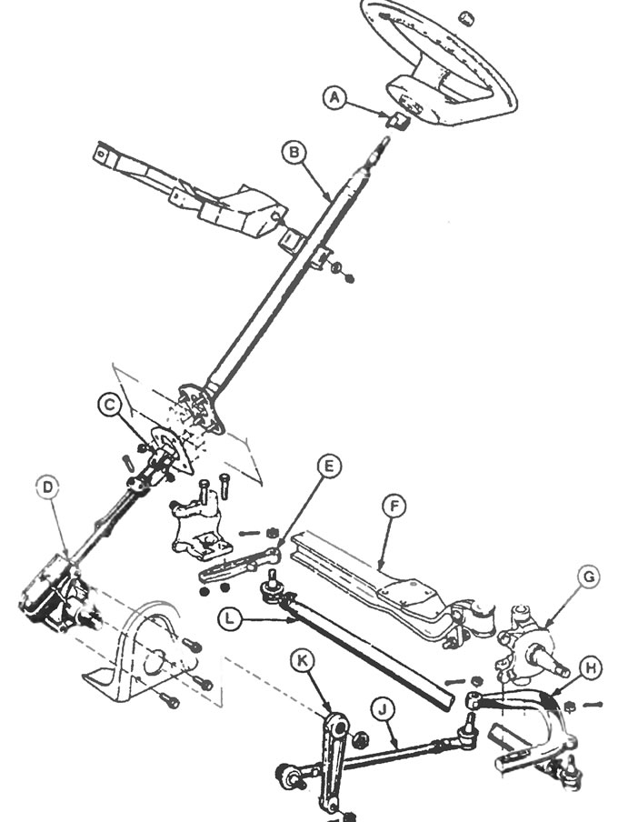
Рис. 1.5,б. Рулевой механизм типа «винт-гайка»: А - Поводковый патрон, В - Труба рулевой колонки с…

Рис. 1.5,б. Рулевой механизм типа "винт-гайка": А - Поводковый патрон, В - Труба рулевой колонки с рулевым валом, С - Универсальный шарнир, D - Картер рулевого механизма, Е - Нижний поворотный рычаг, F - Балка переднего моста, G - Поворотный кулак, Н - Верхний поворотный рычаг, J - Продольная рулевая тяга, К - Рулевая сошка, L - Поперечная рулевая тяга.






Ссылка на эту страницу в разных форматах


Комментарии посетителей

Еще нет комментариев



Мы применяем куки, чтобы сайт работал стабильно, запоминал настройки и был удобен для вас 🍪