Рулевая колонка — снятие, осмотр и сборка (Транзит 2)

            0

Снятие



1. Снимите рулевую колонку с автомобиля, как описано в предыдущем Разделе, затем зажмите колонку в тисках с мягкими защитными губками.

2. Если Вы это еще не сделали снимите рулевое колесо с колонки, как описано в Разделе 22.

3. Снимите поводковый патрон, затем, подцепив, высвободите зажим Вытащите пружину и верхнюю упорную шайбу (см. рис. 24.3).

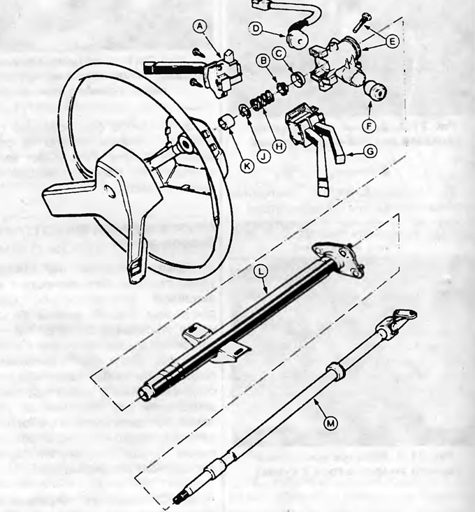
Рис. 24.3. Детальный вид рулевой колонки: А - Левый многофункциональный переключатель; В - Упорная…

Рис. 24.3. Детальный вид рулевой колонки: А - Левый многофункциональный переключатель; В - Упорная шайба; С - Упорный подшипник; D - Жгут проводов; Е - Замок зажигания; F - Цилиндр замка зажигания; G - Правый многофункциональный переключатель; Н - Пружина; J - Пружинное стопорное кольцо; К - Поводковый патрон; L - Труба рулевой колонки; М - Вал рулевой колонки.


4. Вставив ключ зажигания в замок, поверните его в положение "II" Вал рулевой колонки теперь может быть снят.

5. Отвинтите винты, крепящие многофункциональные переключатели колонки, и снимите выключатели.

6. Для снятия замка рулевой колонки высверлите срезной болт крепления замка к колонке сверлом 3/16 в диаметре, затем осторожно выбейте замок наружу (см. рис. 24.6).

Рис. 24.6. Для снятия замка рулевой колонки высверлите срезной болт крепления замка к колонке.

Рис. 24.6. Для снятия замка рулевой колонки высверлите срезной болт крепления замка к колонке.


7. Для снятия верхнего поддерживающего подшипника колонки подцепите его и выдавите наружу.

8. Отвинтив два винта без головки (со шлицем), отделите пластину жгута проводов от картера замка зажигания.

9. Для снятия цилиндра замка зажигания поверните ключ зажигания в положение "I". Затем вставьте тонкий кернер в отверстие картера замка и выгоните цилиндр замка наружу (см. рис. 24.9).

Рис. 24.9. Снятие цилиндра замка зажигания.

Рис. 24.9. Снятие цилиндра замка зажигания.


Осмотр



10. Внимательно осмотрите состояние рулевой колонки и ее вала, обращая внимание на любые признаки деформации или искажения.

11. Проверьте наличие люфта, указывающего на чрезмерный износ карданного шарнира.

12. Убедитесь, что отсутствует чрезмерный люфт рулевого вала в трубе колонки, указывающего на износ подшипника верхнего кронштейна.

13. Замените новыми все дефектные или явно изношенные компоненты. Если повреждена колонка, замените ее новой целиком.

Сборка



14. Первым делом установите цилиндр замка. Повернув ключ зажигания в положение "I", вставьте цилиндр замка в картер и втолкните его внутрь до упора, пока не почувствуете зацепление пальца замка со втулкой замка колонки.

15. Поверните ключ зажигания в положение "0", затем установите пластину жгута проводов, закрепив ее двумя винтами без головок.

16. Наденьте картер замка на трубу рулевой колонки до упора. Ввинтите новый срезной болт и затяните его до того усилия, когда головка болта надламывается.

17. Установите верхний упорный подшипник рулевого вала на внешнюю трубу.

18. Повернув ключ зажигания в положение "II", наденьте собранную часть колонки на трубу, установите нижний подшипник и верхнюю упорную шайбу с пружиной.

19. Расположив фигурную шайбу на валу, установите вал на колонку, воспользовавшись подходящим трубчатым бородком для закрепления пружины. Установите на место поводковый патрон.

20. Установив многофункциональные выключатели, установите колонку и рулевое колесо, как описано в предыдущих Разделах.

21. По завершении проверьте работу многофункциональных переключателей рулевой колонки и замка зажигания.






Ссылка на эту страницу в разных форматах


Комментарии посетителей

Еще нет комментариев



Мы применяем куки, чтобы сайт работал стабильно, запоминал настройки и был удобен для вас 🍪