Рулевой механизм типа «винт-гайка» — снятие, разборка и установка (Транзит 2)

            0

Снятие



1. Заблокировав передние колеса, ослабьте их колесные гайки, затем поддомкратьте переднюю часть автомобиля и установите ее на опорах. Установите колеса в положение прямолинейного движения.

2. Вытащите шплинт и отвинтите гайку, крепящую шаровой шарнир продольной рулевой тяги к рулевой сошке. Съемником шаровых шарниров выпустите конусный шаровой палец шарнира и отделите продольную рулевую тягу от рулевой сошки (см. рис. 28.2.).

Рис. 28.2. При помощи съемника шаровых шарниров отпустите конус шарового пальца и отделите…

Рис. 28.2. При помощи съемника шаровых шарниров отпустите конус шарового пальца и отделите продольную рулевую тягу от рулевой сошки.


3. Отвинтите гайку, крепящую рулевую сошку к рулевому механизму. Если сошка не имеет направляющего шлица, пометьте установочное положение рулевой сошки на рулевом вале, выцарапав метку совмещения на лицевых поверхностях. Вытащите рулевую сошку из вала съемником (см. рис. 28.3).

Рис. 28.3. Снимите рулевую сошку с рулевого вала, воспользовавшись съемником.

Рис. 28.3. Снимите рулевую сошку с рулевого вала, воспользовавшись съемником.


4. Отвинтите стяжной болт прижимной пластины карданного шарнира рулевой колонки и отведите прижимную пластину в сторону (см. рис. 28.4.). Обратите внимание, что при установке прижимной пластины потребуется новый болт.

Рис. 28.4. Отвинтите стяжной болт прижимной пластины карданного шарнира рулевой колонки и…

Рис. 28.4. Отвинтите стяжной болт прижимной пластины карданного шарнира рулевой колонки и переместите прижимную пластину в сторону.


5. Отвинтите болты, крепящие рулевой механизм к шасси, и снимите его (см. рис. 28.5).

Рис. 28.5. Отвинтите болты, крепящие рулевой механизм к шасси (указаны стрелками).

Рис. 28.5. Отвинтите болты, крепящие рулевой механизм к шасси (указаны стрелками).


Разборка



6. Вычистите корпус рулевого механизма парафином, полностью высушите его.

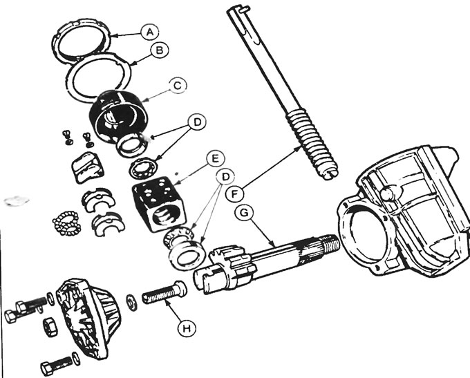
7. Ослабьте контргайку, крепящую регулировочный винт вала рулевой сошки, затем отвинтите и снимите три болта, фиксирующие боковую крышку картера рулевой сошки. Снимите боковую крышку, прокладку и вал рулевой сошки (см. рис. 28.7).

Рис. 28.7. Рулевой механизм типа «винт-гайка»: А - Регулировочная контргайка упорного подшипника, В…

Рис. 28.7. Рулевой механизм типа «винт-гайка»: А - Регулировочная контргайка упорного подшипника, В - Стопорная шайба, С - Регулировочный прижим упорного подшипника, D - Упорные подшипники, Е - Шариковая гайка, F - Рулевой вал, G - Вал рулевой сошки с зубчатым сектором, Н - Регулировочный винт вала рулевой сошки.


8. Снимите контргайку регулировочного винта и отвинтите боковую крышку от регулировочного винта. Вытащите регулировочный винт и прокладку из паза рулевой сошки (см. рис. 28.8).

Рис. 28.8. Снимите боковую крышку с регулировочным болтом и прокладкой из паза в вале рулевой сошки.

Рис. 28.8. Снимите боковую крышку с регулировочным болтом и прокладкой из паза в вале рулевой сошки.


9. Выпрямите язычки пружинной шайбы, фиксирующей контргайку регулятора упорного подшипника, и отвинтите контргайку специальным гаечным ключом (см. рис. 28.9.). Снимите пружинную шайбу и вытащите цилиндрический штифт рулевого вала.

Рис.28.9. Отвинтите регулировочную контргайку регулировочного прижима упорного подшипника,…

Рис.28.9. Отвинтите регулировочную контргайку регулировочного прижима упорного подшипника, воспользовавшись специальным гаечным ключом, имеющим форму буквы "С".


10. Снимите регулировочный прижим упорного подшипника, осторожно вытащите рулевой вал вместе с верхним и нижним подшипниками.

11. Подходящим пробойником или бородком выбейте наружные кольца нижнего и верхнего упорных подшипников соответственно из картера рулевого механизма и регулятора.

12. Зажав рулевую гайку в тисках с мягкими подушками на щеках, отвинтите фиксирующие винты прижимной пластины направляющих трубок и снимите прижимную пластину (см. рис. 28.12).

Рис. 28.12. Отвинтив фиксирующие винты, снимите прижимную пластину направляющих трубок.

Рис. 28.12. Отвинтив фиксирующие винты, снимите прижимную пластину направляющих трубок.


13. Снимите направляющие трубки и извлеките 62 шарика рулевой гайки. Обратите внимание, что рулевой вал, рулевая гайка и шарики представляют собой комплект, отдельные части которого не могут быть приобретены порознь.

14. Снимите масляное уплотнение картера рулевого механизма со стороны рулевой сошки.

15. Полностью вымойте все компоненты парафином и высушите неворсистой тканью.

16. Исследуйте все компоненты на наличие повреждений, растрескивания или общего чрезмерного износа. Установите на время вал рулевой сошки во втулку картера рулевого механизма и проверьте отсутствие чрезмерного зазора между ними, затем осмотрите зубья рулевой сошки на предмет износа. Осмотрите обоймы подшипника и шарики на наличие выемок или признаков износа; проверьте, не изношена ли втулка в боковой крышке. Изношенные втулки можно заменить отдельно, но если вал рулевой сошки и рулевой вал нуждаются в замене, то, вероятно, дешевле будет приобрести восстановленную рулевую передачу.

17. Приобретите новые, масляное уплотнение, боковую прокладку крышки и пружинную шайбу регулятора подшипника упора.

18. Собирая рулевой механизм, первым делом вставьте масляное уплотнение и наружное кольцо нижнего упорного подшипника в картер рулевого.механизма, проверив, что они установлены прямо. Подобным образом, воспользовавшись подходящего диаметра трубкой, вставьте наружное кольцо верхнего упорного подшипника в регулятор.

19. Наденьте рулевую гайку на рулевой вал, правильно ее сориентировав, и вставьте по одному в каждое из четырех отверстий все 62 стальных шарика. Придется немного двигать рулевой вал внутри гайки, чтобы уложить шары в их канавки, но делайте это так, чтобы шарики не выскочили из канавок.

20. Установив направляющие трубки и выровняв их проходные отверстия, установите зажимную планку и затяните фиксирующие винты.

21. Смазав обоймы упорных подшипников, вложите их в наружные кольца, затем установите рулевую гайку и рулевой вал в картер рулевого механизма. Ввинтите в картер регулятор упорного подшипника. Воспользовавшись подходящим динамометрическим ключом или датчиком предварительной нагрузки, затяните регулятор настолько, чтобы достигнуть правильного крутящего момента рулевого вала, приведенного в Спецификациях.

22. Установив новые контрящую шайбу и контргайку регулятора упорного подшипника, затяните контргайку специальным изогнутым ключом. Согнув шайбу, зацепите одним язычком паз контргайки, а другим - картер рулевого механизма (см. рис. 28.22).

Рис. 28.22. Загните один язычок контршайбы (указан стрелкой) в паз контргайки, а другой вбейте в…

Рис. 28.22. Загните один язычок контршайбы (указан стрелкой) в паз контргайки, а другой вбейте в картер рулевого механизма.


23. Вставьте регулировочный болт в паз рулевой сошки, подобрав прокладку с тем расчетом, чтобы зазор между головкой винта и контактной стороной вала рулевой сошки составил 0.05 мм. При необходимости, снимите винт, установите новую прокладку и снова установите винт.

24. Завинтите боковую крышку на регулировочный болт вала рулевой сошки и наживите контргайку, не затягивая до конца.

25. Заполните картер рулевого механизма смазкой соответствующего типа в количестве, как дано в Спецификациях, затем установите на место новую прокладку боковой крышки.

26. Вставьте собранный вал рулевой сошки с навинченной боковой крышкой в картер рулевого механизма, обеспечив зацепление центральных зубьев обеих валов и рулевой гайки, затем затяните три фиксирующих болта боковой крышки. Регулирование предварительной нагрузки вала рулевой сошки регулировочным болтом выполняется позже, после установки рулевого механизма на автомобиль.

27. Установите на рулевой вал цилиндрический штифт.

Установка



28. Установка рулевого механизма производится в порядке, обратном снятию, но обратите внимание на следующие дополнительные пункты:
  • а) Прикрепите прижимную пластину карданного шарнира рулевой колонки новым стяжным болтом;
  • б) При установке рулевой сошки на вал убедитесь, что сделанные при снятии метки или направляющие пазы совмещены;
  • в) Затяните все крепежные детали до указанных в спецификации усилий затяжки;
  • г) По завершении отрегулируйте предварительную нагрузку вала рулевой сошки, как описано в Разделе 29.


Для деталей обратитесь к веб-ресурсу Fordbook.ru






Ссылка на эту страницу в разных форматах


Комментарии посетителей

Еще нет комментариев



Мы применяем куки, чтобы сайт работал стабильно, запоминал настройки и был удобен для вас 🍪