Термостатический датчик оборотов холостого хода — снятие, установка и регулирование (Транзит 2)

            0

1. На моделях до 1992 года термостатический датчик в системе охлаждения управляет рычагом управления оборотами холостого хода на топливном насосе, чтобы увеличить частоту вращения холостого хода, когда двигатель холодный. Термостатический датчик расположен сбоку корпуса термостата.

2. На более поздних моделях термостатический датчик является частью топливного насоса и не подлежит замене.

Снятие



3. Разъедините отрицательный провод батареи.

4. Слейте жидкость из системы охлаждения, как описано в Главе 1.

5. Отвинтите два болта, прикрепляющие термостатический датчик к корпусу термостата. Извлеките датчик и прокладку из корпуса (см. рис. 5.5), заметьте, что при обратной сборке требуется установка новой прокладки.

Рис.5.5. Фиксирующие болты термостатического датчика.

Рис.5.5. Фиксирующие болты термостатического датчика.


6. Отвинтите внешние контргайки троса от кронштейна поддержки на топливном насосе.

7. Отцепите конец внутреннего троса от рычага управления оборотами холостого хода. На топливном насосе высокого давления Bosch внутренний трос освобождается ослаблением винта, прикрепляющего трос к пружинному приспособлению на конце.

8. Снимите термостатический датчик и трос.

9. Полностью почистите все следы старой прокладки от корпуса термостата и соприкасающихся поверхностей датчика, и разместите новую прокладку в положении (позиции).

10. Установите датчик и закрепите его фиксирующими болтами.

11. Установите трос в порядке обратном удалению, но контргайки троса (и винт пружинного приспособления на насосах Bosch) оставьте незатянутыми до конца для регулирования.

12. Отрегулируйте трос, как описано ниже, затем заполните систему охлаждения (см. Главу 1) и подсоедините батарею.

Регулирование



13. Переместите рычаг управления оборотами в крайнее положение, соответствующее максимальным оборотам, и временно закрепите его в этом положении.

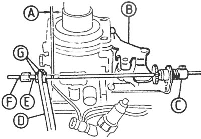
14. На подающем насосе Bosch оттяните конец троса со стороны пружины, соединенный с кронштейном механизма управления оборотами холостого хода, и зажмите винт, чтобы прикрепить внутренний трос (см. рис. 5.14,а,б).

Рис. 5.14а. Регулировка оборотов холостого хода на топливном насосе Bosch: А - Зазор 2-3 мм, В -…

Рис. 5.14а. Регулировка оборотов холостого хода на топливном насосе Bosch: А - Зазор 2-3 мм, В - Рычаг управления оборотами холостого хода, С - Натяжной механизм, D - Кронштейн, Е - Регулировочная резьба, F - Оболочка троса, G - Контргайки.


Рис. 5.14б. Регулировка ускорения холостого хода на топливном насосе Lucas/CAV: А - Зазор 2-3 мм, В…

Рис. 5.14б. Регулировка ускорения холостого хода на топливном насосе Lucas/CAV: А - Зазор 2-3 мм, В - Рычаг управления оборотами холостого хода, С - Кронштейн, D - Оболочка троса, Е - Контргайки


15. Отрегулируйте положение контргаек так, чтобы оставался промежуток 2-3 мм между краем внешней оплетки и концевым ниппелем троса. Зажмите контргайки.

Установка



16. Оттянув наружную оболочку троса к задней стороне двигателя до натяжения троса (для насоса Bosch) проверьте, что зажимная втулка на конце троса сжимает пружины до упора, а для насоса Lucas/CAV убедитесь, что рычаг управления оборотами прижимается к упору запуска холодного двигателя. При этом промежуток между оболочкой и концевым ниппелем троса должен остаться в пределах 2-3 мм.

17. Отсоедините рычаг управления оборотами холостого хода.

Для деталей посетите указанный сайт (fordbook.ru)






Ссылка на эту страницу в разных форматах


Комментарии посетителей

Еще нет комментариев



Мы применяем куки, чтобы сайт работал стабильно, запоминал настройки и был удобен для вас 🍪