Топливные форсунки — проверка, снятие и установка (Транзит 2)

            0

Предупреждение: будьте особенно осторожными при работе с топливными форсунками. Никогда не подставляйте руки или другие части тела под струю форсунок, поскольку из-за высокого рабочего давления топливо может проникнуть через кожу, что может привести к тяжелым последствиям. Настойчиво советуем, чтобы испытание форсунок под давлением выполнялось дилером или специалистом по системе впрыскивания топлива.


Проверка



1. При длительном использовании работа форсунок ухудшается, и возможно, что они будут нуждаться в ремонте или обновлении после примерно 60 000 миль (100 000 км) пробега. Тщательное испытание, капитальный ремонт и калибровка форсунок должны выполняться специалистом. Неисправная форсунка, которая вызывает детонацию или коптит, может быть определена без демонтажа следующим образом.

2. Запустите двигатель, установите повышенные обороты холостого хода. Ослабьте все соединения форсунок поочередно, размещая ветошь вокруг соединений, чтобы впитать проливающееся топливо, и будьте осторожны, чтобы защитить кожу от попадания струи топлива. Когда соединение дефектной форсунки ослаблено, детонация или копчение должны прекратиться.

Снятие



Форсунки Bosch или Lucas/CAV



3. Топливные форсунки производства Bosch или Lucas/CAV установлены на всех двигателях до 1989 года выпуска.

4. Отсоедините отрицательный провод батареи.

5. Снимите воздушный фильтр как описано в разделе 3.

6. Тщательно очистите поверхность возле форсунки и соединительных гаек трубопровода форсунки.

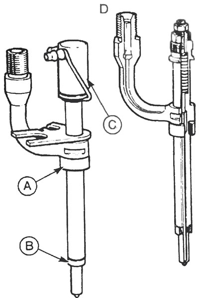
7. Отвинтите соединительные гайки топливоснабжения и болты перепускной трубы на кожухе. Снимите трубки с форсунок и накройте открытые соединения. Снимите по две медные шайбы с каждого болтового соединения (см. рис. 10.7).

Рис. 10.7. Топливная форсунка на моделях до 1989 года: А - Гайка зажима, В - Зажим, С - Шайбы узла…

Рис. 10.7. Топливная форсунка на моделях до 1989 года: А - Гайка зажима, В - Зажим, С - Шайбы узла "банджо", D - Болт узла "банджо".


8. Отвинтите зажимные гайки форсунки и снимите зажим с каждой форсунки.

9. Вытащите форсунки из головки блока цилиндров (см рис. 10.9). Если они не поддаются, воспользуйтесь съемником форсунок. Снимите шайбы уплотнения с наконечников форсунок или из отверстий в головке блока цилиндров. Установите защитные крышки на сопла форсунок на время, пока они сняты.

Рис. 10.9. Извлеките форсунки из головки блока цилиндров.

Рис. 10.9. Извлеките форсунки из головки блока цилиндров.


Форсунки "Stanadyne" с тонкими наконечниками



10. Форсунки Stanadyne с тонкими наконечниками установлены на всех двигателях моделей выпусков с 1989 года (см. рис. 10.10).

Рис. 10.10. Форсунка «Stanadyn» с тонким наконечником: А - Пылезащитное уплотнение; В - PTFE…

Рис. 10.10. Форсунка "Stanadyn" с тонким наконечником: А - Пылезащитное уплотнение; В - PTFE уплотнение; С - Сливной колпачок уплотнение; D - Общий вид форсунки.


11. Отсоедините отрицательный провод батареи.

12. Снимите воздушный фильтр как описано в разделе 3.

13. Тщательно очистите поверхность вокруг форсунок и соединительных гаек нагнетающих трубок форсунок.

14. Отвинтите соединения нагнетающего топливопровода от форсунок (см. рис. 10.14). Если необходимо, используйте второй гаечный ключ, чтобы придержать форсунку при отворачивании гаек. Накройте открытые соединения.

Рис. 10.14. Отвинтите соединения нагнетающего топливопровода от форсунок.

Рис. 10.14. Отвинтите соединения нагнетающего топливопровода от форсунок.


15. Осторожно снимите топливные сливные трубки с форсунок (см. рис. 10.15).

Рис. 10.15. Отделите сливные трубки (указаны стрелками) от форсунок.

Рис. 10.15. Отделите сливные трубки (указаны стрелками) от форсунок.


16. Отвинтите зажимные болты форсунок и снимите их.

17. Вытащите форсунки из головки блока цилиндров. При затруднениях используйте инструмент Ford 23-030 или специальный съемник форсунок. Не пытайтесь снимать форсунки рычагом (см. рис. 10.17,а,б)

Рис. 10.17а. Вытащите форсунки из головки блока цилиндров.

Рис. 10.17а. Вытащите форсунки из головки блока цилиндров.


Рис. 10.17б. При затруднениях используйте инструмент Ford 23-030 или специальный съемник.

Рис. 10.17б. При затруднениях используйте инструмент Ford 23-030 или специальный съемник.


18. Снимите уплотнительные шайбы с форсунок. Снимите шайбы уплотнения PTFE с наконечников форсунок. осторожно отделяя их ножом, потом снимите их плоскогубцами (см. рис. 10.18,а,б). Возьмите новое пылезащитное уплотнение и шайбы уплотнения для повторной установки. Закройте защитными крышками сопла форсунок, в то время, как они сняты.

Рис. 10.18а. Снимите уплотнительные шайбы с корпусов форсунок.

Рис. 10.18а. Снимите уплотнительные шайбы с корпусов форсунок.


Рис. 10.18б. Снимите шайбы PTFE с наконечников форсунок.

Рис. 10.18б. Снимите шайбы PTFE с наконечников форсунок.


Установка



19. Для всех типов форсунок установка производится в порядке, обратном снятию. Обращайте внимание на следующие пункты:
  • а) Используйте новые уплотнительные шайбы форсунки инжектора, шайбы PTFE и медные шайбы на соединениях типа "банджо";
  • б) При работе с форсунками Bosch или Lucas/CAV заметьте, что соединения сливных труб форсунок обращены по направлению к крышке головки блока цилиндров, а концы зажимов форсунок обращены в сторону передней части двигателя;
  • в) Работая с форсунками Stanadyne, устанавливайте новые уплотнительные шайбы PTFE выемками вверх. Устанавливайте шайбы, помещая их в держатель инструмента 23-030, или в соответствующее гнездо трубного зажима. Вставьте наконечник форсунки в шайбу (см. рис. 10.19,а,б);
  • г) Зажмите все закрепления и соединения с усилием затяжки, регламентированным спецификацией. Убедитесь, что трубки форсунок не имеют деформаций;
  • д) Заполните топливную систему, как описано в разделе 2, после этого запустите двигатель и проверьте, нет ли утечки топлива.

Рис. 10.19,а. Установите новые шайбы PTFE выемками вверх

Рис. 10.19,а. Установите новые шайбы PTFE выемками вверх


Рис. 10.19,б. Правильная установка уплотнительных шайб PTFE на форсунки «Stanadyne».

Рис. 10.19,б. Правильная установка уплотнительных шайб PTFE на форсунки "Stanadyne".


(Исходная статья размещена на FordBook)






Ссылка на эту страницу в разных форматах


Комментарии посетителей

Еще нет комментариев



Мы применяем куки, чтобы сайт работал стабильно, запоминал настройки и был удобен для вас 🍪