Главный цилиндр — разборка (Транзит 2)

            0

Внимание: описание ниже процедуры применимы лишь к автомобилям со стандартными тормозными системами. Не следует проводить переборку главного цилиндра на автомобилях, оборудованных системой ABS. Перед началом работ обратитесь к предупреждению об опасности тормозной жидкости в начале Раздела 2.


1. Снимите главный цилиндр (см. предыдущий Раздел).

2. Снимите крышки заливной горловины бачка тормозной системы и индикатора низкого уровня тормозной жидкости вместе с индикатором. Переверните цилиндр и выпустите оставшуюся в бачке жидкость.

3. Отделите бачок от главного цилиндра, отвинтив два фиксирующих винта. На некоторых моделях для снятия бачка достаточно просто потянуть его вверх и снять резиновые уплотнения (см. рис. 11.3.).

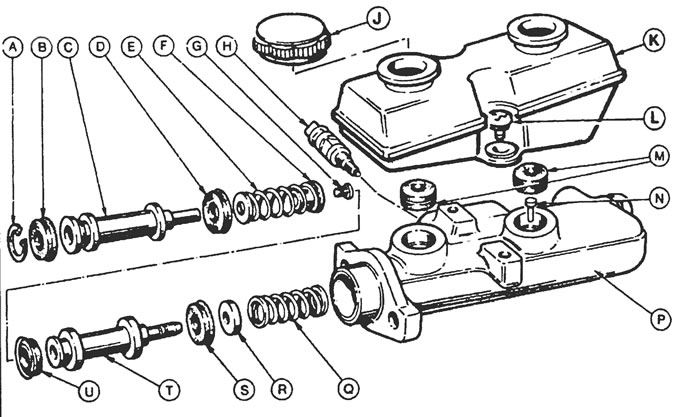
Рис. 11.3. Главный цилиндр: А - Стопорное кольцо, В - Манжета, С - Первый поршень, D - Манжета, Е -…

Рис. 11.3. Главный цилиндр: А - Стопорное кольцо, В - Манжета, С - Первый поршень, D - Манжета, Е - Пружина, F - Фиксатор, G - Винт, Н - Выключатель контрольной лампы уровня, тормозной жидкости (если предусмотрен), J - Пробка бачка, К - Бачок главного цилиндра, L - Винт, М - Уплотнения, N - Стопорный палец, Р - Цилиндр, G - Пружина, R - Фиксатор, S - Уплотнение, Т - Второй поршень, U - Уплотнение


4. Закрепите цилиндр в тисках с мягкими подушками на щеках, затем осколком штифта надавите на первичный поршень. Удерживая поршень на нужном уровне, вытащите стопорный штифт из переднего впускного отверстия бачка (см. рис. 11.4.).

Рис. 11.4. Главный цилиндр (1), стопорный палец (2) и впускное отверстие (3) второго поршня.

Рис. 11.4. Главный цилиндр (1), стопорный палец (2) и впускное отверстие (3) второго поршня.


5. Вытащив стопорное кольцо из горлышка цилиндра, извлеките внутренние компоненты. Разместите их на чистой поверхности точно в порядке снятия - постучите по цилиндру уложив его предварительно на брус, если это необходимо для снятия вторичного поршня.

6. Осторожно отделите пружину, втулку и уплотнения от вторичного поршня.

7. Промойте все компоненты чистой тормозной жидкостью или метиловым спиртом. Осмотрите поршни и внутреннюю поверхности гильз на предмет зарубок, царапин или блестящих, вследствие износа областей; если любое из этих проявлений налицо, замените новым главный цилиндр как единый узел. Если поверхности цилйндра находятся в хорошем состоянии, закажите ремонтный комплект, состоящий из первичного поршня и новых уплотнений вторичного поршня.

8. Опустите новые уплотнения в чистую тормозную жидкость и установите их на второй поршень. При установке используйте только Ваши руки (без каких-либо инструментов) и убедитесь, что уплотнения правильно расположены (см. рис. 11.8,а,6). Установите пружину и втулку на второй поршень.

Рис. 11.8,а. Детали первого поршня: А - Уплотнение, В - Поршень, С - Уплотнение, D - Пружина, Е -…

Рис. 11.8,а. Детали первого поршня: А - Уплотнение, В - Поршень, С - Уплотнение, D - Пружина, Е - Фиксатор.


Рис. 11.8,б. Детали второго поршня: А - Уплотнение, В - Поршень, С - Уплотнение, D - Фиксатор, Е -…

Рис. 11.8,б. Детали второго поршня: А - Уплотнение, В - Поршень, С - Уплотнение, D - Фиксатор, Е - Пружина.


9. Обильно смазав поршни чистой тормозной жидкостью, установите их в гильзу главного цилиндра - сначала второй поршень, а затем первый.

10. Установите стопорное кольцо на горлышко цилиндра, после чего вдавите первый поршень и установите стопорный штифт второго поршня.

11. Смажьте уплотнения бачка тормозной системы чистой тормозной жидкостью, после чего установите бачок (и закрепите его двумя винтами, если необходимо).

12. Установите крышку заливной горловины бачка и индикатор низкого уровня тормозной жидкости.

13. Установите главный цилиндр, как описано в предыдущем Разделе.

Материал был скопирован с информационного сайта fordbook






Ссылка на эту страницу в разных форматах


Комментарии посетителей

Еще нет комментариев



Мы применяем куки, чтобы сайт работал стабильно, запоминал настройки и был удобен для вас 🍪