Технические данные — общая информация (Транзит 2)

            0

Тормозная система представляет собой двухконтурную гидравлическую систему с диагональным и продольным распределением контуров, с дисковыми передними и барабанными задними тормозами. При диагональном разделении контуров первый контур главного цилиндра подает тормозную жидкость в левый задний и правый передний тормоз, а второй контур питает правый задний и левый передний тормоз. При вертикальном разделении контуров в системе первый контур главного цилиндра питает задние тормоза, а второй контур подает тормозную жидкость к передним тормозам. Гидравлическая система разбита на два контура по соображениям безопасности: в случае отказа одного из гидроприводов, другой контур продолжает работать, обеспечивая, пусть и уменьшенное, но все же достаточное усилие торможения. При нормальных условиях оба тормозных контура работают совместно, обеспечивая эффективное торможение.

Вакуумный усилитель, расположенный между главным цилиндром и перегородкой моторного отделения, уменьшает требуемое для работы тормоза усилие давления на педаль. В случае повреждения этого узла по любой возможной причине, тормоза можно будет эксплуатировать, но усилие, необходимое для нажатия на педаль, будет увеличено. Вакуумный насос закреплен на задней части генератора переменного тока и, питаясь от генератора, он создает необходимый для работы усилителя вакуум.

В гидравлическую цепь заднего тормоза входят, в зависимости от модели, либо клапаны регулировки давления в тормозной системе, либо клапан распределения нагрузки (LAV). Функцией этих клапанов является регулировка силы торможения в каждом заднем колесе с целью уменьшения вероятности заклинивания задних колес при торможении.

На моделях выпуска до 1992 года установлены невентилируемые передние тормозные диски, а на более поздних моделях - вентилируемые. Автомобили с невентилируемыми передними дисками и независимой передней подвеской имеют двухпоршневые плавающие тормозные суппорты, модели же с зависимой передней подвеской имеют либо двух, либо четырехпоршневые жесткозакрепленные тормозные суппорты с установленными друг напротив друга поршнями (см. рис. 1.4,а,б). Более поздние модели с вентилируемыми передними тормозными дисками имеют двухпоршневой плавающий суппорт модернизированного типа.

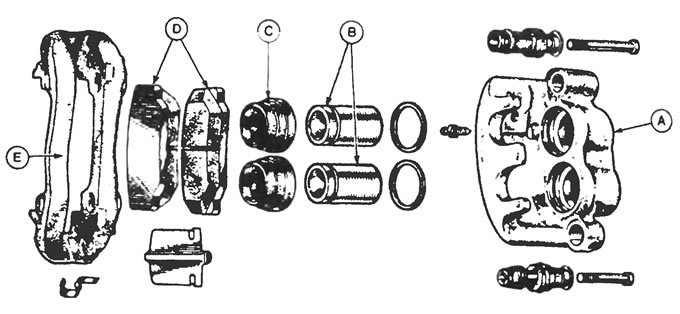
Рис. 1.4,а. Детальный вид старого типа плавающего суппорта с двумя поршнями: А - Суппорт, В -…

Рис. 1.4,а. Детальный вид старого типа плавающего суппорта с двумя поршнями: А - Суппорт, В - Поршни, С - Пылезащитные колпачки, D - Тормозные колодки, Е - Направляющие колодок.


Рис. 1.4,б. Детальный вид суппорта с четырьмя установленными друг напротив друга поршнями: А -…

Рис. 1.4,б. Детальный вид суппорта с четырьмя установленными друг напротив друга поршнями: А - Суппорт, В - Поршни, С - Уплотнения, D - Фиксаторы уплотнений, Е - Тормозные колодки, F - Противошумные фиксаторы, G - Пальцы, Н - Штуцеры для удаления воздуха.


Задние барабанные тормоза включают в себя тормозные колодки, которые приводятся в действие рабочими тормозными цилиндрами с двумя поршнями. Задние тормоза имеют регулировочный механизм, который автоматически компенсирует износ фрикционных накладок задних тормозных колодок при каждом нажатии на педаль ножного тормоза.

Стояночный тормоз действует только на задние тормоза. На некоторых моделях установлена антиблокировочная тормозная система (ABS), многие из компонентов которой подобны установленным на обычной тормозной системе. Более подробную информацию о системе ABS Вы найдете в конце этой Главы.

(Для деталей посетите указанный сайт: «Fordbook.ru»)






Ссылка на эту страницу в разных форматах


Комментарии посетителей

Еще нет комментариев



Мы применяем куки, чтобы сайт работал стабильно, запоминал настройки и был удобен для вас 🍪