Промежуточное охлаждение — основные сведения, снятие и установка (Транзит 2)

            0

Основные сведения



1. Промежуточное охлаждение устанавливается на некоторых двигателях с турбонаддувом с 1997-го года. Перед поступлением в двигатель сжатый воздух охлаждают в так называемом, «воздушном» радиаторе - всю эту процедуру и выполняет промежуточное охлаждение.

2. Во время сжимания поступающего из атмосферы воздуха происходит его нагревание, которое заставляет его расширяться. Если воздух охлаждать, то можно увеличить объем воздуха и увеличить мощность двигателя.

3. Сжатый воздух, поступающий от турбины поступал прямо во впускной коллектор, а в данном случае он предварительно охлаждается. Радиатор промежуточного охлаждения установлен в передней части моторного отсека и обдувается потоком воздуха при движении. Нагретый воздух из турбонаддува, проходя снизу вверх по радиатору промежуточного охлаждения, охлаждается потоком воздуха, который проходит сквозь радиатор во время движения. Когда воздух достигает верха радиатора, он становится охлажденным и поступает во впускной коллектор.

Снятие



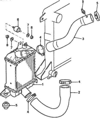
4. Отпустите хомуты крепления шланга и отсоедините воздушные шланги от радиатора промежуточного охлаждения (см. рис. 28.4). Если верхний шланг необходимо снять полностью, то сначала отсоедините разъемный штекер от датчика температуры воздуха.

Рис.28.4. Радиатор промежуточного охлаждения и его элементы: 1. Радиатор, 2. Воздушный шланг от…

Рис.28.4. Радиатор промежуточного охлаждения и его элементы: 1. Радиатор, 2. Воздушный шланг от турбонаддува, 3. Воздушный шланг к впускному коллектору, 4. Зажим крепления шланга, 5.Нижняя опора, 6. Верхняя опора, 7. Шайба, 8. Гайка, 9. Датчик температуры воздуха.


5. Поддерживая верх радиатора, открутите гайки, которыми он крепится на передней балке. Снимите шайбы.

6. Снимите радиатор промежуточного охлаждения с опор и извлеките его из моторного отсека.

Установка



Установка производится обратно снятию, но при этом необходимо учесть следующее:
  • а) Очистите пластины радиатора, но берегите пальцы, так как пластины острые;
  • б) Надежно затяните хомуты на воздушных шлангах, чтобы исключить утечку воздуха.






Ссылка на эту страницу в разных форматах


Комментарии посетителей

Еще нет комментариев



Мы применяем куки, чтобы сайт работал стабильно, запоминал настройки и был удобен для вас 🍪