Стартер — замена щеток (Транзит 2)

            0

Внимание: описана замена щеток на стартерах типа Lucas/Magneti-Marelli М127. Однако, для стартеров других типов процедуры подобны. Обратитесь к детальному виду соответствующего стартера для выяснения различий между типами (см. рис. 9.0,а-д).


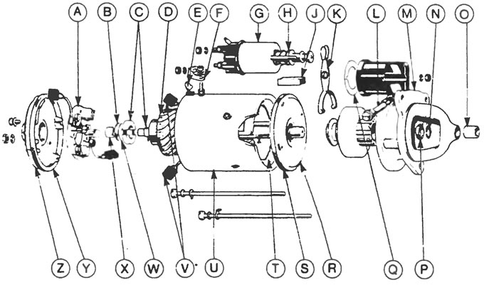
Рис.9.0а. Детальный вид стартера Lucas / Magnet! Marelli 5М90 1. Гайки и шайбы зажимов, 2. Торцевая…

Рис.9.0а. Детальный вид стартера Lucas / Magnet! Marelli 5М90 1. Гайки и шайбы зажимов, 2. Торцевая крышка коллектора, 3. Щеткодержатель, 4. Пружины щеток, 5. Щетки, 6. Провод тягового реле, 7. Тяговое реле, 8. Возвратная пружина, 9. Рычаг включения шестерни, 10. Винт полюсного башмака, 11. Полюсный башмак. 12. Сериесная катушка обмотки возбуждения, 13. Соединение обмотки возбуждения с массой, 14. Резиновое уплотнение, 15. Уплотнительная заглушка, 16. Пылезащитная крышка, 17. Опорный палец, 18. Фиксирующий зажим, 19. Зажимный болт крышки привода, 20. Втулка вала якоря, 21. Крышка привода стартера, 22. Стопорное кольцо вала якоря, 23. Упорное кольцо, 24. Привод, 25. Корпус стартера, 26. Якорь, 27. Упорная шайба, 28. Болт крышки коллектора, 29. Втулка вала якоря, 30. Упорная шайба, 31. Шайба с внутренними зубьями, 32. Пылезащитная крышка.


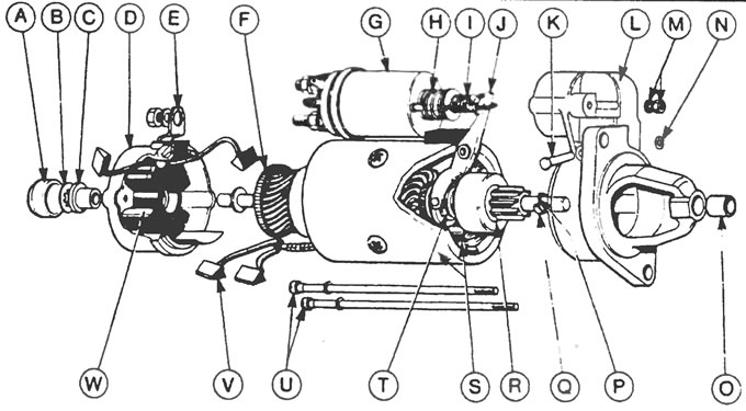
Рис. 9.0,б. Детальный вид стартера Lucas / Magnet! Marelli 2М100: А - Резиновая крышка, В -…

Рис. 9.0,б. Детальный вид стартера Lucas / Magnet! Marelli 2М100: А - Резиновая крышка, В - Фиксатор. С - Втулка вала якоря, D - Торцевая крышка коллектора, Е - Контактная клемма, F - Якорь, G - Тяговое реле, Н - Возвратная пружина, I - Демпфирующая пружина, J - Рычаг включения привода, К - Опорный палец, L - Кронштейн, М - Гайка и шайба тягового реле, N - Зажим опорного пальца, О - Втулка вала якоря, Р - Стопорная шайба вала якоря, Q - Упорное кольцо, R - Шестерня привода, S - Корпус стартера и полюсный башмак, Т - Буферная пружина, U - Стяжные болты, V - Щетка, W - щеткодержатель


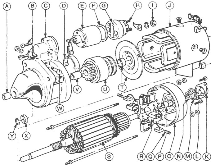
Рис. 9.0,в. Детальный вид стартера Lucas/Magneti-Marelli M127: А - Щеткодержатель, В - Шайба, С -…

Рис. 9.0,в. Детальный вид стартера Lucas/Magneti-Marelli M127: А - Щеткодержатель, В - Шайба, С - Тормозные колодки, D - Якорь, Е - Гибкое звено, F - Медное звено, G - Тяговое реле, Н - Возвратная пружина, J - Уплотнение, К - Рычаг выключения привода, L - Опорный палец, М - Крышка привода стартера, N - Стопорная шайба вала якоря, О - Втулка вала якоря, Р - Упорное кольцо, Q - Прокладка, R - Перегородка, S - Уплотнительное кольцо, Т - Катушка обмотки возбуждения, U - Корпус стартера, V - Щетки катушек обмотки возбуждения, W - Стальная шайба, X - Втулка вала якоря, Y - Уплотнительное кольцо, Z - Торцевая крышка коллектора


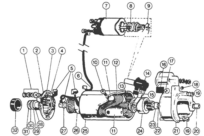
Рис. 9.0,г. Детальный вид стартера Bosch long frame: 1. Тяговое реле, 2. Прокладка. 3. Контакты. 4.…

Рис. 9.0,г. Детальный вид стартера Bosch long frame: 1. Тяговое реле, 2. Прокладка. 3. Контакты. 4. Клеммы, 5. Фиксирующий болт, 6. Торцевая крышка вала. 7. Уплотнение, 8. Упорная шайба вала якоря, 9. Шайбы, 10. Втулка вала якоря, 11. Торцевая крышка коллектора, 12. Щеткодержатель, 13. Соединительный провод, 14. Корпус стартера, 15. Крышка привода стартера, 16. Фиксирующий болт тягового реле 17. Втулка вала якоря, 18. Опорный винт, 19. Рычаг включения привода, 20. Стяжной болт, 21. Пружина щетки, 22. Щетка, 23. Коллектор, 24. Сердечник якоря, 25. Ведущая шестерня привода, 26. Упорная шайба, 27. Стопорная шайба.


Рис. 9.0,д. Детальный вид стартера Bosch JF (2.7kW): А - Подшипник, В - Болты тягового реле, С -…

Рис. 9.0,д. Детальный вид стартера Bosch JF (2.7kW): А - Подшипник, В - Болты тягового реле, С - Крышка привода, D - Рычаг включения шестерни, Е - Тяговое реле, F - Прокладка, G - Держатель контактов, Н - Клеммы, I - Гайка, J - Корпус стартера, К - Задняя крышка, L - Упорная шайба, М - Уплотнение, N - Шайбы, О - Задняя крышка коллектора, Р - Втулка вала якоря, Q - Пружина щетки, R - Щеткодержатель, S - Якорь, Т - Средний подшипник, U - Ведущая шестерня привода, V - Втулка вала якоря, W - Опорный винт, X - Стопорная шайба, Y - Упорная шайба вала.


1. Снимите стартер с автомобиля, как описано в предыдущем Разделе.

2. Отвинтите два маленьких болта и пару больших стяжных болтов от торцевой крышки коммутатора (см. рис. 9.2).

Рис. 9.2. Отвинтите два маленьких винта (А) и пару стяжных болтов (В) из задней крышки коллектора

Рис. 9.2. Отвинтите два маленьких винта (А) и пару стяжных болтов (В) из задней крышки коллектора


3. Отделите заднюю крышку коллектора от стартера (см. рис.9.3).

Рис. 9.3. Отвинтите заднюю крышку коллектора от стартера

Рис. 9.3. Отвинтите заднюю крышку коллектора от стартера


4. Снимите тормозные колодки якоря и пружины и две шайбы с задней крышки (см. рис. 9.4,а,б).

Рис. 9.4,а. Вытащите тормозные колодки с пружинами...

Рис. 9.4,а. Вытащите тормозные колодки с пружинами...


Рис. 9.4,б. ... и две шайбы из углубления в задней крышке.

Рис. 9.4,б. ... и две шайбы из углубления в задней крышке.


5. Вытащите щетки обмотки возбуждения из их зажимов и отделите щеткодержатель от коллектора (см. рис. 9.5). Извлеките две оставшиеся щетки из щеткодержателя после его снятия.

Рис. 9.5. Отделите щеткодержатель от коллектора.

Рис. 9.5. Отделите щеткодержатель от коллектора.


6. Проверьте длину щеток. Если любая из них изношена до минимальной длины, приведенной в Спецификациях, замените их новыми (см. рис. 9.6).

Рис. 9.6. Проверьте длину щеток и замените их по необходимости.

Рис. 9.6. Проверьте длину щеток и замените их по необходимости.


7. Чтобы заменить щетки обмотки возбуждения, отрежьте подвод щетки как можно ближе к подводящему проводнику и снимите старую щетку. Зачистите проводник так, чтобы освободить место для пайки и припаяйте подвод новой щетки. Так же замените вторую щетку обмотки возбуждения.

8. Чтобы заменить щетки щеткодержателя, подведите паяльник к месту припайки щеток. Как только припой расплавится, раскройте соединитель, уберите старый подвод щетки и вставьте новый. Закройте соединитель и запаяйте его.

9. Почистите коллектор тонкой наждачной бумагой, а затем вытрите начисто слегка смоченной растворителем тканью.

10. Проверьте состояние штифта тормозного башмака якоря. Если он поврежден или изношен, извлеките его вместе с выводом и установите новый штифт (см. рис. 9.10).

Рис. 9.10. Замените штифт тормозной колодки, если он поврежден или изношен.

Рис. 9.10. Замените штифт тормозной колодки, если он поврежден или изношен.


11. Проверьте, что все четыре щетки двигаются свободно в своих зажимах и что пружины не повреждены и обеспечивают равный прижим.

12. Вставьте две щетки щеткодержателя в их зажимы и зацепите пружины напротив щеток (см. рис. 9.12). Не вставляйте все щетки сразу, иначе будет трудно установить пластину со щетками на коммутатор.

Рис. 9.12. Разместите две щетки щеткодержателя в их зажимах и зацепите пружины.

Рис. 9.12. Разместите две щетки щеткодержателя в их зажимах и зацепите пружины.


13. Вставьте две щетки обмотки возбуждения в их зажимы таким же образом, когда установите щеткодержатель на коллектор. Когда щетки встанут на место, подтолкните концы щеток к коммутатору, пока пружины не соскользнут в места по концам щеток.

14. Установите тормозные колодки с пружинами и две шайбы на заднюю крышку.






Ссылка на эту страницу в разных форматах


Комментарии посетителей

Еще нет комментариев



Мы применяем куки, чтобы сайт работал стабильно, запоминал настройки и был удобен для вас 🍪