Русский
English
Български
Беларускі
Український
Српски
Hrvatski
Română
Polski
Slovenský
Magyar
Карта сайта
Контакты
Поиск по сайту
Главная
Focus
Mondeo
Escort
Fiesta
Taurus
Прочие
Статьи
Фиеста 2
(1983-1989)
Фиеста 4
(1996-1999)
Разборка дифференциала
(Фиеста 2)
Главная
Фиеста
Фиеста 2
Трансмиссия
Механическая коробка
Разборка дифференциала
0
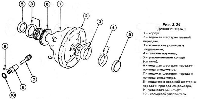
Элементы частично разобранного дифференциала показаны на рис. 3.24.
Снимите конические роликовые подшипники.
Отвинтите болты крепления и снимите торцевую шестерню со скошенными зубцами из корпуса дифференциала.
Дифференциал не разбирается на части. В случае повреждения его необходимо заменить на новый.
Эта статья доступна на
английском
,
болгарском
,
белорусском
,
украинском
,
сербском
,
хорватском
,
румынском
,
польском
,
словацком
,
венгерском
Проверка статьи:
Кошелев Афанасий
Поделитесь информацией:
« Предыдущие статьи
Сборка вторичного вала коробки
Разборка вторичного вала коробки
Разборка коробки передач
Снятие и установка коробки передач
Описание пятиступенчатой механической коробки передач
Следующие статьи »
Сборка коробки передач
Смотрите другие похожие статьи для автомобилей Форд:
• Левая полуось - разборка и сборка
Форд Фокус 1 (1998-2004)
• Разборка головки блока цилиндров
Форд Мондео 1 и 2 (1993-2000)
• Разборка и сборка двигателей всех моделей кроме GLA
Форд Эскорт 3 (1980-1985)
• Проверка и разборка подшипника заднего колеса (да 1989 года)
Форд Таурус 1 и 2 (1986-1994)
• Разборка дифференциала заднего моста
Форд Скорпио 1 (1985-1994)
Ссылка на эту страницу в разных форматах
HTML
Text
BB Code
Форд Фиеста 2 1983-1989: Разборка дифференциала
- статья на сайте о ремонте американских автомобилей Ford www.FordBook.ru
Статья о ремонте автомобилей Форд Фиеста 2 1983-1989: Разборка дифференциала https://www.fordbook.ru/fiesta/2/transmission/manual/disassembly-differential
[url=https://www.fordbook.ru/fiesta/2/transmission/manual/disassembly-differential]Форд Фиеста 2 1983-1989: Разборка дифференциала[/url] - статья на сайте о ремонте американских автомобилей Ford www.FordBook.ru
Комментарии посетителей
Еще нет комментариев
Сколько будет 45 + 29 =
Фиеста 4
Общая информация
Характеристики
Условия работы и инструмент
Уход за автомобилем
Силовой агрегат
Ремонт двигателей
Система смазки
Система охлаждения
Воздушный фильтр
Система впрыска топлива
Система зажигания
Система питания
Система выпуска
Трансмиссия
Шасси
Подвеска автомобиля
Рулевое управление
Колеса и шины
Тормозная система
Кузов
Интерьер
Экстерьер
Электрооборудование
Свет и приборы
Аккумулятор и генератор
Фиеста 2
Общая информация
Характеристики
Техобслуживание
Двигатель
Разборка и сборка
Головка блока
Шатунно-поршневая группа
Система смазки
Система газораспределения
Система охлаждения
Система питания
Система питания дизеля
Система зажигания
Трансмиссия
Сцепление
Механическая коробка
Автоматическая коробка
Приводные полуоси
Подвеска и шасси
Передняя подвеска
Задняя подвеска
Рулевое управление
Тормозная система
Электрооборудование
Оборудование и приборы
Схемы электрооборудования
Анекдот про автомобили
покажите следующий
Комментарии посетителей