Компоненты обогрева и вентиляции — снятие и установка (Транзит 2)

            0

Обогреватель. Модели до 1995 года



Снятие



1. Отсоедините отрицательный провод батареи.

2. Слейте охлаждающую жидкость из системы охлаждения, как описано в Главе 1.

3. Ослабьте фиксирующие хомуты, и отделите подводящий и возвратный патрубки отопителя от перегородки (см. рис.10.3).

Рис. 10.3. Ослабьте фиксирующие хомуты, и отделите подводящий и возвратный патрубки отопителя.

Рис. 10.3. Ослабьте фиксирующие хомуты, и отделите подводящий и возвратный патрубки отопителя.


4. Внутри салона отвинтите фиксирующие винты, и извлеките пульт управления отоплением. Снимая его, отделите электрические вилки и патроны индикаторов от выключателя вентилятора и прикуривателя (см рис. 10.4). Снимите пепельницу.

Рис. 10.4. Отвинтите четыре фиксирующих винта, и извлеките пульт управления отоплением

Рис. 10.4. Отвинтите четыре фиксирующих винта, и извлеките пульт управления отоплением


5. Отсоедините пульт управления откидной створки отопителя, отвинтив две стопорные гайки по одной с каждой стороны (см. рис. 10.5а,б).

Рис. 10.5а. Разъедините пульт управления откидном створки нагревателя, отвинтив две стопорные…

Рис. 10.5а. Разъедините пульт управления откидном створки нагревателя, отвинтив две стопорные гайки...


Рис. 10.5б. ...затем извлеките панель.

Рис. 10.5б. ...затем извлеките панель.


6. Отделите обогреватель ветрового стекла и патрубки вентиляции (см. рис.10.6).

Рис. 10.6. Отсоедините патрубки обогрева ветрового стекла и вентиляции.

Рис. 10.6. Отсоедините патрубки обогрева ветрового стекла и вентиляции.


7. Отвинтите, и снимите четыре винта, фиксирующие отопитель на перегородке и аккуратно снимите отопитель из автомобиля. При снятии, отсоедините проводку электродвигателя вентилятора.

Остановка



8. Процедура установки обратная процедуре снятия, но отметьте следующие пункты:

а) при установке пульта управления заслонками отопителя поместите рычаги управления в 2 мм от их упоров и закрепите трос управления фиксатором. Каждая заслонка при этом должна быть отведена в свое крайнее положение;

б) убедитесь, что штекеры электропроводки электродвигателя вентилятора и прикуривателя надежно зафиксированы;

в) проверив надежность подсоединения патрубков обогревателя, снова наполните жидкостью систему охлаждения, как описано в Главе 1;

г) после запуска двигателя, включите на несколько минут обогреватель и систему вентиляции, чтобы проверить их работу, а также возможность утечек охлаждающей жидкости из системы.

Модели с 1995 года



Снятие



9. Отсоедините отрицательный провод батареи.

10. Слейте жидкость из системы охлаждения, как описано в Главе 1.

11. Изнутри моторного отсека отсоедините соединения, и отсоедините патрубки обогревателя от радиатора (см. рис 10.11). Чтобы сделать это, сожмите буртик пластмассовой вставки, и снимите патрубки, используя углообразные плоскогубцы. Следите за тем чтобы не потерять уплотнения.

Рис. 10.11. На последних моделях снимите соединения (указаны стрелками) и отсоедините патрубки.

Рис. 10.11. На последних моделях снимите соединения (указаны стрелками) и отсоедините патрубки.


12. Снимите панель (см. раздел 29 главы 11).

13. Отвинтите четыре болта, крепящие отопитель к перегородке (см. рис.10.13).

Рис. 10.13. Отвинтите четыре болта (указаны стрелками), крепящие отопитель к перегородке.

Рис. 10.13. Отвинтите четыре болта (указаны стрелками), крепящие отопитель к перегородке.


14. Потяните отопитель вперед и снимите его.

Установка



15. Установка производится в порядке, обратном снятию.

Радиатор отопителя, двигатель вентилятора и органы упражнения. Модели до 1995 года



Разборка



16. Сняв отопитель, отделите тросы управления от отопителя, и снимите тросы управления и панель.

17. Отвинтите восемь фиксирующих винтов и отделите верхнюю часть корпуса от нижней (см. рис. 10.17).

Рис. 10.17. Отопитель: блок управления (1), узел воздушных заслонок (2) и крепежные болты (3).

Рис. 10.17. Отопитель: блок управления (1), узел воздушных заслонок (2) и крепежные болты (3).


18. Чтобы снять двигатель вентилятора, отвинтите три винта и извлеките его из корпуса (см. рис. 10.18).

Рис 10.18. Снятие электродвигателя вентилятора.

Рис 10.18. Снятие электродвигателя вентилятора.


19. Снимите опорный винт трубы охлаждающей жидкости и пенопластовое уплотнение. Снимите уплотнение и осторожно извлеките радиатор из корпуса обогревателя (см. рис. 10.19).

Рис. 10.19. Осторожно вытащите радиатор.

Рис. 10.19. Осторожно вытащите радиатор.


20. Дальнейшее демонтирование отопителя вряд ли будет необходимо, но при необходимости можно это сделать, разжав фиксаторы.

21. Замените новыми дефектные компоненты по мере необходимости. Восстановление большинства из них является или невозможным или непрактичным.

Сборка



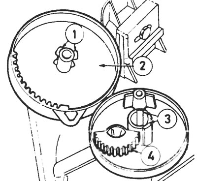
22. Соберите детали в обратном демонтажу порядке. Если зубчатый сектор клапана заслонок был демонтирован, установите его, затем поместите привод, и выровняйте выступы вала втулки с пазами кожуха вращая, (слегка чтобы закрепить их правильно) (см. рис. 10.22).

Рис. 10.22. Узел распределительных воздушных заслонок: 1 - язычки центрирующего валика, 2 -…

Рис. 10.22. Узел распределительных воздушных заслонок: 1 - язычки центрирующего валика, 2 - приводной диск, 3 - пазы корпуса, 4 - зубчатый сектор.


23. При повторной сборке половин кожуха, используйте новое пенопластовое уплотнение. Также установите новое уплотнение на радиатор при его монтаже.

Радиатор отопителя, двигатель вентилятора и органы управления. Модели с 1995 года



Разборка



24. Сняв отопитель, разъедините монтажный штекер электродвигателя вентилятора, и отделите резистор двигателя вентилятора со стороны корпуса отопителя (см. рис. 10.24).

Рис. 10.24. На последних моделях отсоедините штекер питания (1) и резистор электродвигателя (2).

Рис. 10.24. На последних моделях отсоедините штекер питания (1) и резистор электродвигателя (2).


25. Разъедините монтажный многовыводной штекер от управляющего двигателя заслонок рециркуляции воздуха (см.рис. 10.25).

Рис. 10.25. Отсоедините штекер (указан стрелкой) от электродвигателя заслонок рециркуляции.

Рис. 10.25. Отсоедините штекер (указан стрелкой) от электродвигателя заслонок рециркуляции.


26. Отсоедините внешние кабели блока управления отоплением от корпуса, пружиня назад фиксаторы. Разъедините внутренние кабели от регулировочных рычагов и снимите блок управления.

27. Удерживая фиксирующую шпонку двигателя вентилятора, поверните двигатель против часовой стрелки и отделите от корпуса.

28. Отвинтите три винта (см. рис. 10.28) и снимите закрывающую радиатор панель. Осторожно вытащите его из корпуса отопителя.

Рис. 10.28. Отвинтите три винта панели радиатора (указаны стрелками).

Рис. 10.28. Отвинтите три винта панели радиатора (указаны стрелками).


29. Отвинтите три винта, и извлеките управляющий двигатель клапана рециркуляции воздуха.

Сборка



30. Производится в обратном порядке.






Ссылка на эту страницу в разных форматах


Комментарии посетителей

Еще нет комментариев



Мы применяем куки, чтобы сайт работал стабильно, запоминал настройки и был удобен для вас 🍪