Механизм газораспределения двигателя

            0      
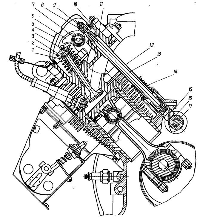
Этот механизм служит для своевременного впуска горючей смеси в цилиндры двигателя и выпуска из них отработавших газов. В двигателе «Москвич» он состоит из распределительного вала с цепным приводом, коромысел, впускных и выпускных клапанов с направляющими втулками и седлами, пружин клапанов с деталями их крепления и устройства для регулировки теплового зазора между стержнем клапана и нажимным регулировочным винтом.

Распределительный вал 19 (рис. 14) чугунный, вращается непосредственно в теле головки блока цилиндров на трех опорах. На нем расположены восемь кулачков 17 для привода клапанов и эксцентрик привода топливного насоса. От осевого перемещения он удерживается упорным фланцем 22, помещенным на переднем конце вала и привернутым двумя болтами к головке блока цилиндров. Внутри вала просверлен масляный канал, закрытый с торцов заглушками. В кулачках и опорах вала имеются сверления, соединяющиеся с масляным каналом вала.

Рис. 14. Механизм газораспределения двигателя «Москвич»: 1 - коленчатый вал; 2 - ведущая звездочка:…

Рис. 14. Механизм газораспределения двигателя «Москвич»: 1 - коленчатый вал; 2 - ведущая звездочка: 3 - втулочно-роликовая цепь; 4 - звездочка натяжного устройства; 5 - двуплечнй рычаг; 6 - плунжер натяжного устройства; 7 - пружина; 8 - пробка; 9 - регулировочный винт; 10 - коромысло; 11 - ось коромысла; 12 - наконечник регулировочного винта; 13 - опорная шайба пружины; 14 - наружная и внутренняя пружины; 15 - сухари крепления опорной шайбы на клапане; 16, 20 - выпускной и впускной клапаны; 17 - кулачок; 18 - направляющая втулка впускного клапана; 19 - ведомая звездочка распределительного вала; 21 - успокоитель цепи; 22 - упорный фланец




Привод вала осуществляется двухрядной втулочно-роликовой цепью 3 от стальной ведущей звездочки 2, насаженной на переднем конце коленчатого вала 1. Чугунная ведомая звездочка укреплена на фланце распределительного вала, ее фиксация по отношению к кулачкам производится при помощи установочного штифта. Для постоянного натяжения цепи имеется натяжное устройство, состоящее из натяжной звездочки 4, устанавливаемой на конце двуплечего рычага 5, и плунжера 6 с пружиной 7, упирающегося в плечо рычага. Для гашения колебаний цепи со стороны ее ведущей ветви в приводе имеется пластмассовый успокоитель 21, укрепленный на переднем торце блока цилиндров.

Коромысла 10 привода клапанов установлены на двух полых стальных осях 11, расположенных параллельно по обе стороны распределительного вала в опорных приливах головки блока цилиндров. Для отличия осей коромысел на них имеются отметки «Вп» и «Вып». Для правильного расположения коромысел между ними устанавливаются пружины, распорные втулки и шайбы. На длинном плече коромысла ввернут нажимной регулировочный винт 9 с контргайкой.

Клапаны установлены в металлокерамических втулках 18, запрессованных в головке блока, и расположены по четыре в каждом ряду под углом 52° между собой. В правом ряду — выпускные, в левом — впускные. Седла клапанов вставные, изготовлены из жароупорного чугуна и запрессованы в головку блока цилиндров. Для лучшего наполнения цилиндра горючей смесью головка впускного клапана 20 имеет больший диаметр, нежели выпускного 16, Каждый клапан прижимается к своему седлу двумя цилиндрическими пружинами 14. Наружная пружина имеет витки, навитые в левую сторону с переменным шагом, а внутренняя — навитые в правую сторону с равным шагом. Установка двух пружин уменьшает вибрацию клапанов на больших скоростях вращения распределительного вала и предупреждает падение клапана в цилиндр в случае поломки одной из пружин. Опорная шайба 13 пружин удерживается на стержне клапана двумя сухарями 15, устанавливаемыми в выточку на стержне. При вращении распределительного вала кулачок выпуклой частью набегает на короткий конец коромысла, которое, поворачиваясь на оси, длинным плечом через регулировочный винт нажимает на стержень клапана и открывает его, опуская вниз. Когда кулачок повернется и выпуклой частью не будет нажимать на коромысло, клапан закроется под действием сил упругости пружин.



Между наконечником регулировочного винта и стержнем клапана устанавливают тепловой зазор. Этот зазор обеспечивает плотное закрытие клапана при его удлинении от нагревания во время работы двигателя. При отсутствии или недостаточной величине зазора будет неплотная посадка головки клапана в седло и, как следствие этого, пропуск газов, потеря мощности двигателя и быстрое обгорание кромки головки клапана. Регулировочное устройство для изменения величины теплового зазора состоит из винта 9 с наконечником 12, установленных в коромысле, и контргайки. Величина зазора изменяется путем поворота регулировочного винта при отвернутой контргайке. Зазор для впускных и выпускных клапанов двигателей «Москвич» и ВАЗ на холодном двигателе должен быть 0,15 мм.

На двигателе ВАЗ механизм газораспределения с верхним расположением распределительного вала и однорядным наклонным расположением клапанов (рис. 15).

Рис. 15. Механизм газораспределения двигателя ВАЗ: 1 - коленчатый вал; 2 - ведущая звездочка; 3 -…

Рис. 15. Механизм газораспределения двигателя ВАЗ: 1 - коленчатый вал; 2 - ведущая звездочка; 3 - цепь; 4 - башмак натяжного устройства цепи; 5 - натяжное устройство; 6 - ведомая звездочка; 7 - кулачок; 8 - рычаг привода клапана; 9 - опорная шейка распределительного вала; 10 - пружина рычага; 11, 12 - впускной и выпускной клапаны; 13 - втулка клапана; 14 - резьбовая втулка регулировочного болта; 15 - регулировочный болт; 16, 17 - наружная и внутренняя пружины; 18 - успокоитель цепи; 19 - звездочка привода масляного насоса и распределителя зажигания; 20 - гайка; 21 - регулировочный стержень; 22 - пружина плунжера; 23 - плунжер; 24 - пружина регулировочного стержня; 25 - разрезной конус (цанга)




Распределительный чугунный Вал — пятиопорный с восемью кулачками — установлен в специальном корпусе из алюминиевого сплава, укрепляемого на головке блока при помощи шпилек. Вращение от коленчатого вала 1 к распределительному передается при помощи двухрядной втулочно-роликовой цепи 3. Одновременно этой цепью осуществляется привод ведомой звездочки 19 вала масляного насоса. Для постоянного натяжения цепи в заданных пределах имеется специальное устройство с натяжным башмаком 4. Внутри корпуса натяжного устройства помещается разрезной конус (цанга) 25, затягиваемый гайкой 20. В конусе зажат регулировочный стержень 21. На стержень надета предварительно сжатая пружина 24, которая стремится переместить стержень вправо вместе с плунжером 23, надетым на его торец. Внутри канала стержня помещается вторая пружина 22 меньшей упругости, которая стремится переместить плунжер вправо относительно стержня. В связи с тем что жесткость наружной пружины стержня больше жесткости внутренней, при упоре плунжера в башмак 4 внутренняя пружина будет полностью сжата, а по мере удлинения цепи плунжер под действием внутренней пружины переместит башмак, сохраняя необходимое натяжение цепи. Для уменьшения колебаний приводной цепи имеется успокоитель 18, укрепленный на картере двигателя.

Открытие клапанов осуществляется при помощи стальных рычагов 8 со шпилечными пружинами 10, постоянно прижимающими их концы к стержням клапанов. Рычаг своим сферическим углублением опирается на сферическую головку регулировочного болта 15, который завернут в стальную втулку 14 головки блока и закреплен контргайкой. Изменение зазора между кулачком и рычагом производится поворотом регулировочного болта при ослабленной контргайке. При вращении распределительного вала его кулачок 7 набегает выпуклой частью на рычаг 8, который, поворачиваясь на сферической опоре, другим концом нажимает на стержень клапана и открывает его. Когда кулачок выпуклой частью повернется в противоположную сторону, рычаг отходит в исходное положение, и клапан под действием пружин 16 и 17 закрывается.



Механизм газораспределения двигателя МеМЗ с верхним однорядным расположением клапанов и нижним размещением распределительного вала (рис. 16). Распределительный вал 16 стальной трехопорный, на конце третьей опорной шейки нарезана винтовая шестерня для привода масляного насоса и прерывателя-распределителя. От осевого перемещения вал удерживается упорным фланцем, установленным на его переднем конце. Привод распределительного вала осуществляется парой шестерен: на коленчатом валу — стальной 11 (см. рис. 29), на распределительном — текстолитовой 10 со стальной ступицей. Шестерня на распределительном валу закрепляется гайкой-эксцентриком 9, от которой получает привод топливный насос.

Рис. 16. Механизм газораспределения двигателя МеМЗ: 1, 2 - наружная и внутренняя пружины клапана; 3…

Рис. 16. Механизм газораспределения двигателя МеМЗ: 1, 2 - наружная и внутренняя пружины клапана; 3 - опорная тарелка пружин; 4 - сухари крепления опорной тарелки; 5 - крышка клапанного механизма; 6 - коромысло привода клапана; 7 - валик коромысел; 8 - контргайка регулировочного винта; 9 - регулировочный винт; 10 - головка цилиндров; 11 - клапан; 12 - кожух штанги; 13 - штанга; 14 - пружина; 15 - толкатель; 16 - распределительный вал; 17 - балансирный вал




Внутри распределительного вала помещается вал (на рис. 16 позиция 17) балансирного механизма с противовесами. Его вращение обеспечивается одной парой стальных шестерен, установленных на коленчатом и балансирном валах. При вращении распределительного вала 16 движение от кулачка передается на толкатель 15, штангу 13, регулировочный винт 9 и короткий конец коромысла 6, которое другим концом нажимает на стержень клапана 11 и, сжимая пружины 1 и 2, перемещает его вниз. При этом открывается отверстие, соединяющее канал головки цилиндра с камерой сгорания.

Толкатели — плунжерного типа, чугунные с отбеленной поверхностью или стальные с наплавленным на торце твердым сплавом. Штанги — трубчатые, дюралюминиевые с напрессованными стальными наконечниками. Коромысла стальные с регулировочными винтами и контргайками. Каждый клапан в закрытом положении удерживается двумя пружинами, которые верхними концами упираются в опорную тарелку, удерживаемую на стержне клапана при помощи конусных сухарей.

На концы стержней выпускных клапанов надеваются специальные колпачки с высокой твердостью торцовой поверхности, что повышает износостойкость.

Фазы газораспределения



Чтобы получить от двигателя наибольшую мощность, необходимо обеспечить более полную очистку цилиндров от продуктов сгорания и лучшее наполнение их горючей смесью. Для этого клапаны открываются и закрываются с некоторым опережением или запаздыванием. Моменты открытия и закрытия клапанов, выраженные в градусах угла поворота коленчатого вала относительно мертвых точек, называются фазами газораспределения.

Впускной клапан открывается с опережением в конце такта выпуска, когда поршень не доходит до ВМТ у разных двигателей в пределах 12—30°, а закрывается с запаздыванием в начале такта сжатия, когда поршень отойдет от НМТ на 40—70°. Раннее открытие и позднее закрытие впускного клапана обеспечивают лучшее наполнение цилиндров горючей смесью за счет инерционного напора горючей смеси в-впускном трубопроводе. Выпускной, клапан открывается с опережением в конце такта рабочего хода за 42—70° до НМТ, что позволяет отработавшим газам начать выходить из цилиндра под собственным избыточным давлением. Закрытие выпускного клапана происходит через 10—30° после ВМТ в начале такта впуска, что обеспечивает лучшую очистку цилиндра, так как отработавшие газы в это время будут продолжать выходить из цилиндра,по инерции. Угол поворота коленчатого вала, на протяжении которого оба клапана в цилиндре открыты, называется перекрытием клапанов; величина перекрытия в разных двигателях колеблется от 22 до 60°.





Ссылка на эту страницу в разных форматах


Комментарии посетителей

Еще нет комментариев




Анекдот про автомобили
покажите следующий
Мы применяем куки, чтобы сайт работал стабильно, запоминал настройки и был удобен для вас 🍪