Тиристорный регулятор напряжения

            0      
Управлять тиристором в тиристорных регуляторах напряжения можно путем регулирования угла включения (с естественной коммутацией) или относительной длительности включения (с искусственной коммутацией).

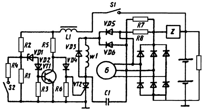
Схема тиристорного регулятора напряжения с естественной коммутацией приведена на рис. 6. Функции регулирующего органа в регуляторе выполняет тиристор VT2, в анодную цепь которого включена обмотка возбуждения W1 генератора. Обмотка возбуждения шунтирована гасящим диодом VD3. Для обеспечения естественной коммутации тиристор подключен к генератору через однофазный двухполупериодный выпрямитель с двумя диодами силового выпрямителя генератора и двумя вспомогательными диодами VD5 и VD6. Для возбуждения генератора к обмотке возбуждения подается напряжение аккумуляторной батареи через резисторы R7 и R8. Условия коммутации тиристора улучшает конденсатор С1.

Рис. 6. Схема интегрального регулятора напряжения с естественной коммутацией

Рис. 6. Схема интегрального регулятора напряжения с естественной коммутацией


Измерительное устройство состоит из усилителя постоянного напряжения на транзисторе VT1 и измерительной цепи с делителем напряжения R1-R2-R4 и стабилитронов VD1-VD2. Катушка индуктивности выполняет функцию фильтра.



Напряжение к измерительному устройству подается при включении выключателя S1 зажигания. Если это напряжение ниже напряжения срабатывания электронного реле регулятора, в цепи L1-R5-VD4-R6 возникает ток, создающий падение напряжения на резисторе R6, достаточное для переключения тиристора в состояние насыщения. В этом случае обеспечивается возбуждение генератора. Затем, по мере возрастания напряжения генератора, обмотка возбуждения переключается на электроснабжение от однофазного мостового выпрямителя.

Когда напряжение достигает напряжения срабатывания, транзистор VT1 переключается в состояние насыщения. Напряжение на управляющем электроде тиристора резко падает при напряжении на выходе однофазного выпрямителя, близком к нулю, тиристор переходит в состояние отсечки. Обмотка возбуждения отключается от источника электроснабжения. Сила тока в обмотке возбуждения и напряжение генератора уменьшаются. При выходном напряжении Ud генератора, равном напряжению срабатывания, транзистор VT1 переключается в состояние отсечки, а тиристор - в состояние насыщения. Далее процессы повторяются.

В автотракторном электрооборудовании тиристорные регуляторы применяются редко. Применение тиристоров не упрощает схему регулятора напряжения, создает более сложные условия для возбуждения генератора и требует увеличения объема обмотки возбуждения генератора, так как напряжение электроснабжения обмотки возбуждения ниже выпрямленного напряжения.





Ссылка на эту страницу в разных форматах


Комментарии посетителей

Еще нет комментариев




Анекдот про автомобили
покажите следующий
Мы применяем куки, чтобы сайт работал стабильно, запоминал настройки и был удобен для вас 🍪